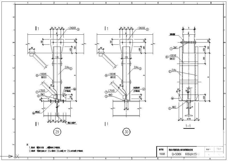
轨梁与钢筋混凝土梁用型钢联结节点构造详图纸cad
- 发布时间:2021-06-08
- 评论次数:0
- 浏览次数:0
- 文件大小:0.1 MB
- 收藏次数:0
-
文件名称:
附件-996058596697890698.rar
梁用型钢联结节点构造详图下载
- 钢筋混凝土梁用型钢联结节点构造设计详图cad
- 轨梁与钢筋混凝土梁用型钢联结节点构造CAD详图纸(6)(dwg)
- 轨梁与钢筋混凝土梁用型钢联结节点构造CAD详图纸(5)(dwg)
- 轨梁与钢筋混凝土梁用型钢联结节点构造CAD详图纸(4)(dwg)
- 轨梁与钢筋混凝土梁用型钢联结节点构造CAD详图纸(3)(dwg)
- 轨梁与钢筋混凝土梁用型钢联结节点构造CAD详图纸(2)(dwg)
- 轨梁与钢筋混凝土梁用型钢联结节点构造CAD详图纸(1)(dwg)
- 轨梁与钢筋混凝土梁用型钢联结节点构造设计详图纸cad
- 轨梁钢筋混凝土梁用型钢联结节点图cad
- 吊车梁联结节点构造CAD详图纸(dwg)
- 轨梁与钢筋混凝土梁用钢板联结节点构造详图纸cad
- 钢筋混凝土型钢联结节点构造设计详图cad
- 轨梁,钢支承梁联结节点构造CAD详图纸(dwg)
- 轨梁端头与钢筋混凝土梁联结节点构造详图纸cad
- 曲轨梁与钢梁联结节点构造CAD详图纸(dwg)
- 轨梁与钢屋架联结节点构造CAD详图纸(dwg)
- 轨梁与钢梁联结节点构造CAD详图纸(dwg)
- 直线轨梁与钢梁联结节点构造CAD详图纸(dwg)
- 悬臂轨梁与承重构件联结节点构造CAD详图纸(2)(dwg)
- 悬臂轨梁与承重构件联结节点构造CAD详图纸(1)(dwg)
全部评论
评论网友评论仅友表达个人看法,并不表明本站同意其观点,不得发布违反法律法规的内容!
