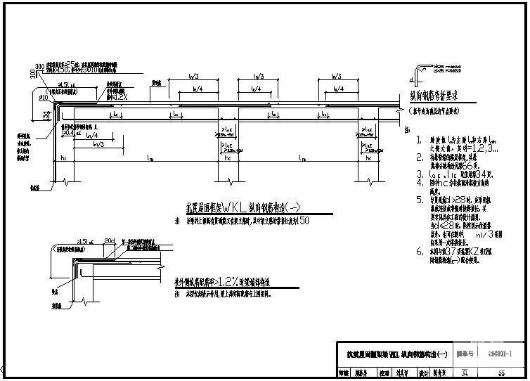
抗震屋面框架梁WKL纵向钢筋节点构造cad详图纸(一)
- 发布时间:2021-06-27
- 评论次数:0
- 浏览次数:0
- 文件大小:0.02 MB
- 收藏次数:0
-
文件名称:
附件-996056758758898775.rar
相关下载
- 非抗震屋面框架梁WKL纵向钢筋构造㈠cad
- 非抗震屋面层框架梁WKL纵向钢筋节点构造详图纸
- 非抗震屋面层框架梁WKL纵向钢筋节点构造详图纸cad
- 抗震屋面框架梁WKL纵向钢筋节点构造设计cad详图纸(二)
- 非抗震屋面层框架梁WKL纵向钢筋构造节点详图纸cad
- 抗震屋面框架梁WKL纵向钢筋构造节点详图纸cad
- 非抗震屋面层框架梁WKL纵向钢筋节点构造详图cad
- 非抗震屋面层框架梁WKL纵向钢筋节点详图cad
- 抗震等级KL、WKL纵向钢筋构造cad
- 非抗震楼层框架梁KL纵向钢筋节点构造详图纸cad
- 抗震楼层框架梁KL纵向钢筋节点构造详图纸cad
- 非抗震楼层框架梁KL纵向钢筋构造节点详图纸cad
- 抗震楼层框架梁KL纵向钢筋构造节点详图纸cad
- KL、WKL中间支座纵向钢筋节点构造详图纸cad
- KL、WKL中间支座纵向钢筋构造节点详图纸cad
- 非抗震楼层框架梁KL纵向钢筋构造详细设计CAD图纸
- 非抗震楼层框架梁KL纵向钢筋构造详图纸cad
- 非抗震楼层框架梁KL纵向钢筋节点图纸cad
- 一份抗震dwg格式CAD图纸节点大样图纸(纵向钢筋构造)
- 框架梁中间支座纵向钢筋节点构造详图纸cad
全部评论
评论网友评论仅友表达个人看法,并不表明本站同意其观点,不得发布违反法律法规的内容!
