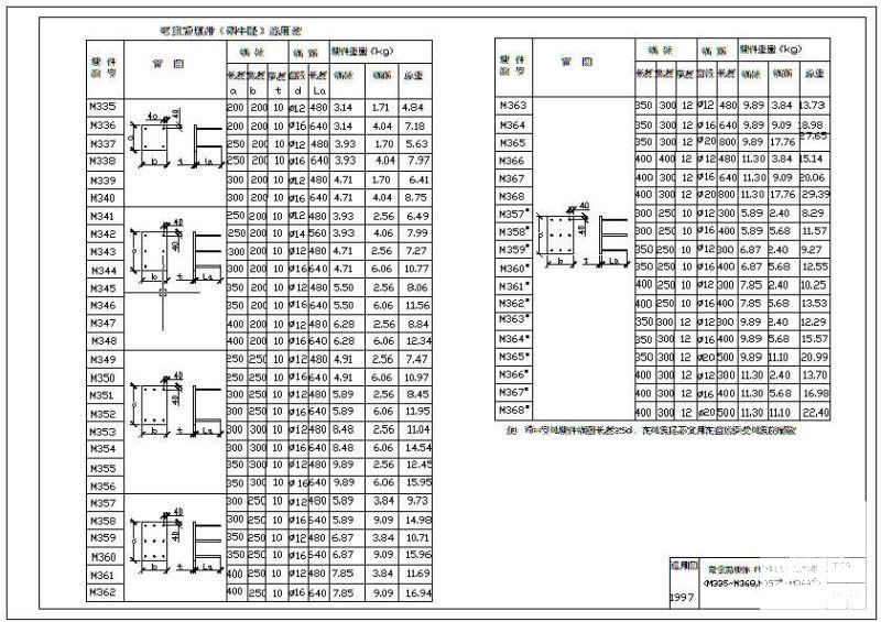
抗压、抗碱预埋件图纸集CAD版
- 发布时间:2021-07-29
- 评论次数:0
- 浏览次数:0
- 文件大小:0.29 MB
- 收藏次数:0
-
文件名称:
附件-995797795908959799.rar
相关下载
- 一份抗压、抗碱预埋件图纸集dwg格式CAD图纸版
- 预埋件节点构造CAD详图纸集(总说明)(dwg)
- 钢板预埋件节点构造CAD详图纸集
- 角钢预埋件节点构造详图纸集cad
- 扁钢预埋件节点构造详图纸集cad
- 园路CAD施工图纸集(混凝土抗压强度)(dwg)
- 劈开砖技术措施要求(泛碱、防水、外墙保温、抗拉拔).doc
- 一份预埋件节点构造详细设计CAD图纸集
- 钢筋混凝土结构中的预埋件节点CAD图纸集
- 梁侧底角钢预埋件节点构造CAD详图纸集
- 梁侧底扁钢预埋件节点构造详图纸集cad
- 板中受拉钢板预埋件节点构造详图纸集cad
- 基桩抗压_抗拔及配筋自动计算表格Excel.xlsx
- 参数查询-砖砌体抗拉强度抗压强度抗剪强度.xls
- 桩承载力计算(抗压、抗拔、水平、压屈).xls
- 水泥混凝土抗折、抗压试块强度检验汇总表.doc
- 长螺旋钻孔压灌砼抗压抗拔构件承载性状试验.pdf
- 2011版外墙防水CAD图纸集(dwg)
- 2011版水池防水CAD图纸集(dwg)
- 2011版厨浴厕防水CAD图纸集(dwg)
全部评论
评论网友评论仅友表达个人看法,并不表明本站同意其观点,不得发布违反法律法规的内容!
