豆豆网

 找回密码
 立即注册

QQ登录

只需一步,快速开始

查看: 2319|回复: 0

一份17层四星级酒店给排水CAD施工图纸

[复制链接]

0

主题

0

帖子

1322

积分

超级版主

Rank: 8Rank: 8

积分
1322
发表于 2020-2-17 18:56:11 | 显示全部楼层 |阅读模式

该帖子包含附件可供参考学习和下载,您可以 搜索 更多您想要的资源


  • 附件设计说明:有
  • 建筑类别:酒店
  • 建筑高度类型:高层建筑
  • 建筑设计面积:27804.21平方米
  • 建筑地上层数:17层
  • 建筑地下层数:1层
  • 图纸设计深度:施工图
  • 参考图纸:41张
  • 设计年代:近代
  • 生活供水设计:生活给水系统
  • 生产供水设计:热水系统
  • 排水设计:污水系统,废水系统,雨水系统
  • 消防设计:室内消火栓系统,喷淋系统
  • 供水设备:高位水箱
  • 供水方式:市政供水,分区供水
  • 供水分区:两区
  • 排水体制:污废合流
  • 排水技术:重力排水
  • 火灾危险等级:中危险级Ⅰ级
  • 消火栓用水量室外(L/S):40
  • 消火栓用水量室内(L/S):30
  • 大样节点:水箱,泵房,卫生间
  • 项目所在地:新疆

附件详情

  • 设备设计说明
  • 主要设备
  • 给排水平面图表
  • 卫生间给排水大样图
  • 喷淋干管平面图
  • 消火栓平面图
  • 水箱间设备管道平面图
  • 消火栓系统图
  • 喷淋系统图
  • 低区给水系统图
  • 高区冷水给水系统图
  • 热水给水系统图
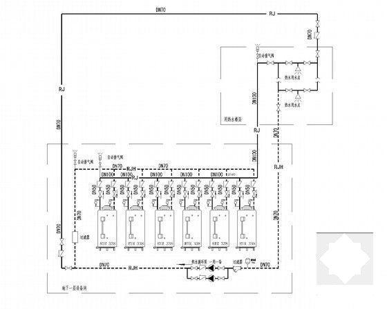
  • 燃气锅炉热水系统原理图
  • 排水系统图
  • 雨水系统图
  • 低区排水系统图
  • 集水井排水系统图

附件详情

资料介绍:该项目为某四星级酒店建筑给排水施工设计,面积为27804.21平米 ,建筑高度为70.0m,该项目为一类高层建筑。

设计内容:给排水、 消防系统 设计、生活给水系统设计、水喷雾系统设计等。

,共41张图纸。

低区给水系统图

地下一层消火栓平面图

豪华套间平面布局变更

燃气锅炉热水系统原理图

水箱间设备管道平面图

高区冷水给水系统图

第 1 张图
第 1 张图
第 2 张图
第 2 张图
第 3 张图
第 3 张图
第 4 张图
第 4 张图
第 5 张图
第 5 张图
第 6 张图
第 6 张图
以上是部分图纸截图,有些图框没有放大后再截图,可能截图里不清晰或者看不到内容,您可以在下载后查看具体内容

温馨提示:该资料由网友于2020-2-17 18:56:11上传分享,您可以下载该资料进行学习和参考,如有侵权内容或者违法行为,请及时联系站长删除,如有疑问,您可以在给水排水专区发帖交流相关知识。

附件2099v11edc0fcw2cfeeecfe2cc.rar

2.35 MB

下载  售价: 100 积分    赚积分

相关帖子

回复

使用道具 举报

您需要登录后才可以回帖 登录 | 立即注册

本版积分规则

QQ|联系我们|豆豆网 ( 苏ICP备20004746号-1 )

GMT+8, 2025-12-28 19:17 , Processed in 0.016394 second(s), 28 queries .

本站所有内容均由网友自主分享,如有侵权内容或者违法行为,请及时联系站长删除,本站将根据实际情况进行积分奖励!请查看:免责声明

快速回复 返回顶部 返回列表