豆豆网

 找回密码
 立即注册

QQ登录

只需一步,快速开始

查看: 2128|回复: 0

一份多层钢筋混凝土结构社区城中村改造工程电气CAD施工图纸(综合布线系统)

[复制链接]

0

主题

0

帖子

776

积分

超级版主

Rank: 8Rank: 8

积分
776
发表于 2020-2-18 09:01:29 | 显示全部楼层 |阅读模式

该帖子包含附件可供参考学习和下载,您可以 搜索 更多您想要的资源


  • 建筑类别:住宅
  • 建筑高度类型:多层建筑
  • 建筑设计结构形式:钢筋混凝土结构
  • 建筑设计面积:70772.15平方米
  • 图纸设计深度:施工图
  • 参考图纸:46张
  • 设计年代:近代
  • 地下室用途:人防
  • 节点大样:人防
  • 防雷等级:第三类
  • 接地方式:TN-S
  • 项目所在地:浙江
  • 强电 设计:建筑物防雷,其它
  • 弱电设计:入侵报警系统,视频监控系统,巡更管理系统,停车场管理系统,综合布线系统,有线电视和卫星接收系统,扩声系统,机房工程,其它

附件详情

  • 弱电设计说明
  • 系统主要设备材料表
  • 楼宇可视对讲系统(一)
  • 楼宇可视对讲系统(二)
  • 综合布线系统(一)
  • 综合布线系统(二)
  • 有线电视系统(一)
  • 有线电视系统(二)
  • 视频监控监控及周界入侵报警系统图
  • 电子巡更系统图
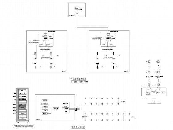
  • 背景音乐系统图
  • 停车场管理系统图
  • 弱电机房布置示意图
  • 有线电视总平面图
  • 综合布线总平面图
  • 其余弱电总平面图
  • 地下室平面图(一)
  • 地下室平面图(二)
  • 1#楼半地下室平面图
  • 1#楼一层平面图
  • 1#楼二~五层平面图
  • 1#楼六层平面图
  • 2#、3#、4#、5#楼半地下室平面图
  • 2#、3#、4#、5#楼一层平面图
  • 2#、3#、4#、5#楼二~六层平面图
  • 6#、7#楼半地下室平面图
  • 6#、7#楼一层平面图
  • 8#楼一层平面图
  • 6#、7#、8#楼二层平面图
  • 6#、7#、8#楼三~五层平面图
  • 6#、7#、8#楼六层平面图
  • 9#楼一层平面图
  • 9#楼二层平面图
  • 9#楼三~五层平面图
  • 9#楼六层平面图
  • 10#、11#楼一层平面图
  • 10#、11#楼二层平面图
  • 10#、11#楼三~五层平面图
  • 10#、11#楼六层平面图
  • 12#~17#楼一层平面图
  • 12#、13#、15#、16#楼二层平面图
  • 12#~17#楼三~五层平面图
  • 12#~17#楼六层平面图
  • 物业用房一层平面图
  • 物业用房二层平面图
  • 物业用房三层平面图

附件详情

该项目位于浙江省。该项目总投资约30463.54万元;本次招标工程约257万元,总建筑面积70772.15平方米(其中计入容积率面积为56714.85平方米,其中地下室面积15541平方米,半地下室面积3570.1平方米及架空层面积272.90平方米),招标工期:与施工总承包施工同步;工程质量标准:合格;招标内容:包含1~17#楼,物业用房、地下室及室外弱电系工程。该项目设计内容有:综合布线系统、有线电视系统、楼宇可视对讲系统、视频监控系统、电子巡更系统、周界入侵报警系统、停车库管理系统、背景音乐系统、机房工程和弱电 防雷接地 系统等。
,图纸共46张。


综合布线总平面图

地下室平面图

背景音乐系统图

六层平面图

楼宇可视对讲干线示意图

视频监控监控及周界入侵报警系统图

有线电视系统

第 1 张图
第 1 张图
第 2 张图
第 2 张图
第 3 张图
第 3 张图
第 4 张图
第 4 张图
第 5 张图
第 5 张图
第 6 张图
第 6 张图
第 7 张图
第 7 张图
以上是部分图纸截图,有些图框没有放大后再截图,可能截图里不清晰或者看不到内容,您可以在下载后查看具体内容

温馨提示:该资料由网友于2020-2-18 09:01:29上传分享,您可以下载该资料进行学习和参考,如有侵权内容或者违法行为,请及时联系站长删除,如有疑问,您可以在电气工程专区发帖交流相关知识。

附件2099v11edec0eefdwe212ssd10.rar

5.27 MB

下载  售价: 100 积分    赚积分

相关帖子

回复

使用道具 举报

您需要登录后才可以回帖 登录 | 立即注册

本版积分规则

QQ|联系我们|豆豆网 ( 苏ICP备20004746号-1 )

GMT+8, 2025-12-27 19:17 , Processed in 0.047549 second(s), 27 queries .

本站所有内容均由网友自主分享,如有侵权内容或者违法行为,请及时联系站长删除,本站将根据实际情况进行积分奖励!请查看:免责声明

快速回复 返回顶部 返回列表