豆豆网

 找回密码
 立即注册

QQ登录

只需一步,快速开始

查看: 2904|回复: 0

一份工程G型3层别墅建筑CAD施工图纸

  [复制链接]

0

主题

0

帖子

1832

积分

超级版主

Rank: 8Rank: 8

积分
1832
发表于 2020-1-24 08:47:45 | 显示全部楼层 |阅读模式

该帖子包含附件可供参考学习和下载,您可以 搜索 更多您想要的资源


  • 别墅设计类别: 独栋别墅
  • 建筑高度类型:多层建筑
  • 建筑设计结构形式:砌体结构
  • 图纸设计深度:施工图
  • 图纸设计风格:欧陆风格
  • 图纸设计流派:新古典
  • 图纸设计格式:天正建筑CAD 7.0,CAD2000
  • 参考图纸:22张
  • 建筑高度:9.9m
  • 地上层数:3层
  • 设计效果图:无

附件详情

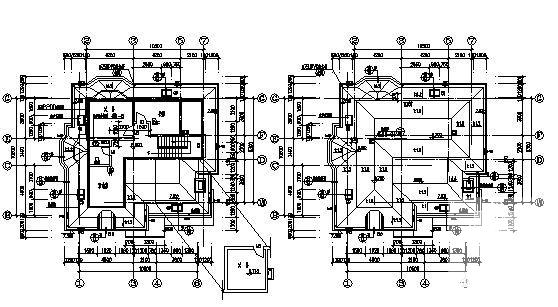
该资料为某工程G型三层别墅 建筑施工
工程建筑建筑设计结构形式为:砖混结构、层数为: 3层、高度为: 9.9米
这份参考资料包括资料目录、图纸说明、工程作法、各层建筑平面、立面、剖面图、楼梯间详图、墙身大样、檐口作法等,共22张图纸
设计功能包括:客厅、厨房、卧室等。

第 1 张图
第 1 张图
第 2 张图
第 2 张图
第 3 张图
第 3 张图
第 4 张图
第 4 张图
以上是部分图纸截图,有些图框没有放大后再截图,可能截图里不清晰或者看不到内容,您可以在下载后查看具体内容

温馨提示:该资料由网友于2020-1-24 08:47:45上传分享,您可以下载该资料进行学习和参考,如有侵权内容或者违法行为,请及时联系站长删除,如有疑问,您可以在别墅建筑专区发帖交流相关知识。

附件2099v11ed1w1wc1sd1we0ddecc.rar

1.34 MB

下载  售价: 100 积分    赚积分

相关帖子

回复

使用道具 举报

您需要登录后才可以回帖 登录 | 立即注册

本版积分规则

QQ|联系我们|豆豆网 ( 苏ICP备20004746号-1 )

GMT+8, 2025-12-26 06:49 , Processed in 0.015553 second(s), 27 queries .

本站所有内容均由网友自主分享,如有侵权内容或者违法行为,请及时联系站长删除,本站将根据实际情况进行积分奖励!请查看:免责声明

快速回复 返回顶部 返回列表