豆豆网

 找回密码
 立即注册

QQ登录

只需一步,快速开始

查看: 2191|回复: 0

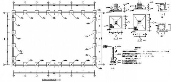
[CAD]27米钢结构厂房结构设计方案图纸(平面布置图)

[复制链接]

0

主题

0

帖子

1470

积分

超级版主

Rank: 8Rank: 8

积分
1470
发表于 2020-2-20 15:51:55 | 显示全部楼层 |阅读模式

该帖子包含附件可供参考学习和下载,您可以 搜索 更多您想要的资源


  • 建筑类别:工业建筑
  • 厂房建筑高度类型:单层厂房
  • 建筑地上层数:1层
  • 图纸设计深度:施工图
  • 民用建筑设计使用年限:50年
  • 建筑设计结构形式:钢结构
  • 钢结构:门式刚架
  • 基础形式 :混凝土基础,独立基础
  • 结构安全等级:二级
  • 结构最大跨度:27m
  • 抗震设防烈度:6度抗震
  • 风压:0.40kN/平方米
  • 雪压:0.35kN/平方米
  • 参考图纸:24张

附件详情

该资料包含: 结构设计说明 ,GJ-1a,基础 平面布置图 ,锚 栓 平 面 布 置 图,屋面檩条.支撑.斜拉条.隅撑布置图,刚架.系杆.柱间支撑布置图等
共24张图纸。

第 1 张图
第 1 张图
第 2 张图
第 2 张图
第 3 张图
第 3 张图
第 4 张图
第 4 张图
以上是部分图纸截图,有些图框没有放大后再截图,可能截图里不清晰或者看不到内容,您可以在下载后查看具体内容

温馨提示:该资料由网友于2020-2-20 15:51:55上传分享,您可以下载该资料进行学习和参考,如有侵权内容或者违法行为,请及时联系站长删除,如有疑问,您可以在结构设计专区发帖交流相关知识。

附件2099v11edf2d1ccc22cd0cfcs0.rar

876.87 KB

下载  售价: 100 积分    赚积分

相关帖子

回复

使用道具 举报

您需要登录后才可以回帖 登录 | 立即注册

本版积分规则

QQ|联系我们|豆豆网 ( 苏ICP备20004746号-1 )

GMT+8, 2025-12-28 05:54 , Processed in 0.014469 second(s), 27 queries .

本站所有内容均由网友自主分享,如有侵权内容或者违法行为,请及时联系站长删除,本站将根据实际情况进行积分奖励!请查看:免责声明

快速回复 返回顶部 返回列表