豆豆网

 找回密码
 立即注册

QQ登录

只需一步,快速开始

查看: 2537|回复: 0

4层综合楼电气CAD施工图纸

[复制链接]

0

主题

0

帖子

1246

积分

超级版主

Rank: 8Rank: 8

积分
1246
发表于 2020-2-22 00:32:06 | 显示全部楼层 |阅读模式

该帖子包含附件可供参考学习和下载,您可以 搜索 更多您想要的资源


  • 建筑类别:其他
  • 建筑高度类型:多层建筑
  • 建筑设计面积:5934.793平方米
  • 建筑地上层数:4层
  • 建筑地下层数:1层
  • 参考图纸:29张
  • 设计年代:近代
  • 地下室用途:其它
  • 负荷等级:三级
  • 防雷等级:第三类
  • 接地方式:TN-C,TN-C-S
  • 项目所在地:内蒙古
  • 强电 设计:低压配电,电气照明,建筑物防雷,接地安全
  • 弱电设计:综合布线系统,通信系统,信息网络系统

附件详情

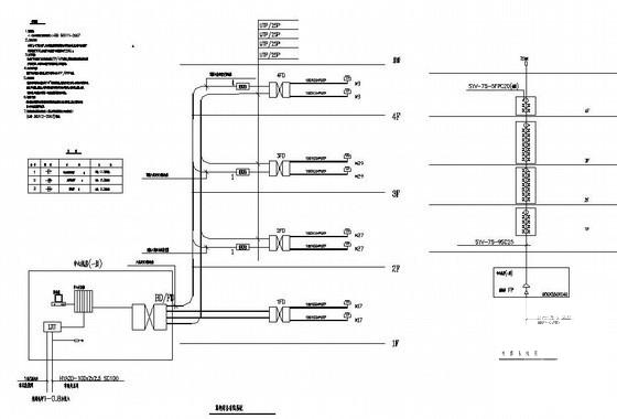
该项目为某工程综合楼,总建筑面积为5934.793平方米,地下一层,地上四层;该项目属于三类建筑。设计范围包括:配电系统、 照明系统 防雷接地 系统、综合布线系统、电视系统等。

第 1 张图
第 1 张图
第 2 张图
第 2 张图
第 3 张图
第 3 张图
第 4 张图
第 4 张图
以上是部分图纸截图,有些图框没有放大后再截图,可能截图里不清晰或者看不到内容,您可以在下载后查看具体内容

温馨提示:该资料由网友于2020-2-22 00:32:06上传分享,您可以下载该资料进行学习和参考,如有侵权内容或者违法行为,请及时联系站长删除,如有疑问,您可以在电气工程专区发帖交流相关知识。

附件2099v11edec21edw10df1fs0s1.rar

1.69 MB

下载  售价: 100 积分    赚积分

相关帖子

回复

使用道具 举报

您需要登录后才可以回帖 登录 | 立即注册

本版积分规则

QQ|联系我们|豆豆网 ( 苏ICP备20004746号-1 )

GMT+8, 2025-12-29 02:34 , Processed in 0.015267 second(s), 27 queries .

本站所有内容均由网友自主分享,如有侵权内容或者违法行为,请及时联系站长删除,本站将根据实际情况进行积分奖励!请查看:免责声明

快速回复 返回顶部 返回列表