豆豆网

 找回密码
 立即注册

QQ登录

只需一步,快速开始

查看: 1874|回复: 0

一份单层钢结构化工厂污水处理电气设计CAD图纸

[复制链接]

0

主题

0

帖子

1359

积分

超级版主

Rank: 8Rank: 8

积分
1359
发表于 2020-2-22 00:32:12 | 显示全部楼层 |阅读模式

该帖子包含附件可供参考学习和下载,您可以 搜索 更多您想要的资源


  • 建筑类别:工业建筑
  • 建筑高度类型:单层建筑
  • 建筑设计结构形式:钢结构
  • 图纸设计深度:施工图
  • 参考图纸:140张
  • 项目所在地:河南
  • 强电 设计:低压配电,建筑物防雷,接地安全,继电保护

附件详情

  • 1、 电气设计 说明
  • 2、系统接线图
  • 3、污水自控系统图
  • 4、桥架与电器柜布置图
  • 5、电气单线图
  • 6、系统管线图
  • 7、防雷电气图
  • 8、点击控制回路
  • 9、电机接地图
  • 10、操作箱位置图

附件详情

该附件是[河南]大型化工厂污水处理电气设计图纸,总共140张。
项目为化工厂污水处理自动化系统,图纸设计包含:系统接线、污水自动控制系统、桥架与电器柜布置系统、系统接地、防雷设计、电机控制电路图等。

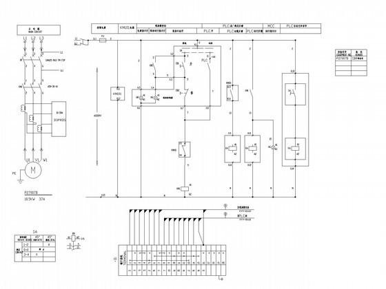
电动机智能保护器启动电路

配电原理图

电动机软启动电路

接线原理图

化工厂污水处理 - 1
第 1 张图
化工厂污水处理 - 2
第 2 张图
化工厂污水处理 - 3
第 3 张图
化工厂污水处理 - 4
第 4 张图
化工厂污水处理 - 5
第 5 张图
以上是部分图纸截图,有些图框没有放大后再截图,可能截图里不清晰或者看不到内容,您可以在下载后查看具体内容

温馨提示:该资料由网友于2020-2-22 00:32:12上传分享,您可以下载该资料进行学习和参考,如有侵权内容或者违法行为,请及时联系站长删除,如有疑问,您可以在电气工程专区发帖交流相关知识。

附件2099v11edeedcwdccdcfdc0cds.rar

4.38 MB

下载  售价: 100 积分    赚积分

化工厂污水处理相关帖子

回复

使用道具 举报

您需要登录后才可以回帖 登录 | 立即注册

本版积分规则

QQ|联系我们|豆豆网 ( 苏ICP备20004746号-1 )

GMT+8, 2025-12-30 10:07 , Processed in 0.036808 second(s), 28 queries .

本站所有内容均由网友自主分享,如有侵权内容或者违法行为,请及时联系站长删除,本站将根据实际情况进行积分奖励!请查看:免责声明

快速回复 返回顶部 返回列表