豆豆网

 找回密码
 立即注册

QQ登录

只需一步,快速开始

查看: 1822|回复: 0

污水处理厂4层综合楼电气CAD施工图纸(建筑面积)

[复制链接]

0

主题

0

帖子

1642

积分

超级版主

Rank: 8Rank: 8

积分
1642
发表于 2020-2-22 00:32:20 | 显示全部楼层 |阅读模式

该帖子包含附件可供参考学习和下载,您可以 搜索 更多您想要的资源


  • 建筑地上层数:3层
  • 建筑设计面积:3000平方米
  • 负荷等级:三级负荷
  • 设计阶段:施工图
  • 设计内容: 强电 , 弱电
  • 供电方式:TN-S

附件详情

该项目为某四层综合楼,建筑面积3000平方米。设计范围包括:配电系统、 照明系统 、电话网络系统等。

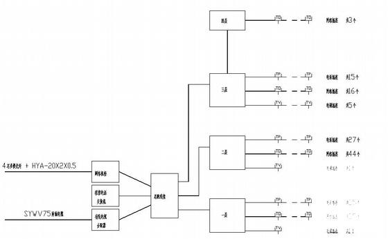
综合楼建筑电气 - 1
第 1 张图
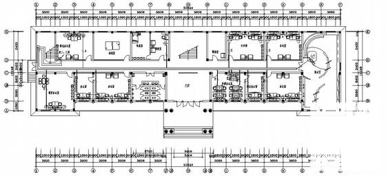
综合楼建筑电气 - 2
第 2 张图
综合楼建筑电气 - 3
第 3 张图
综合楼建筑电气 - 4
第 4 张图
以上是部分图纸截图,有些图框没有放大后再截图,可能截图里不清晰或者看不到内容,您可以在下载后查看具体内容

温馨提示:该资料由网友于2020-2-22 00:32:20上传分享,您可以下载该资料进行学习和参考,如有侵权内容或者违法行为,请及时联系站长删除,如有疑问,您可以在电气工程专区发帖交流相关知识。

附件2099v11edec2dese2w1e122ecd.rar

1.12 MB

下载  售价: 100 积分    赚积分

综合楼建筑电气相关帖子

回复

使用道具 举报

您需要登录后才可以回帖 登录 | 立即注册

本版积分规则

QQ|联系我们|豆豆网 ( 苏ICP备20004746号-1 )

GMT+8, 2025-12-22 09:08 , Processed in 0.016961 second(s), 27 queries .

本站所有内容均由网友自主分享,如有侵权内容或者违法行为,请及时联系站长删除,本站将根据实际情况进行积分奖励!请查看:免责声明

快速回复 返回顶部 返回列表