豆豆网

 找回密码
 立即注册

QQ登录

只需一步,快速开始

查看: 2429|回复: 0

[CAD]带地下1层剪力墙住宅楼结构设计图纸(柱平法施工图)

[复制链接]

0

主题

0

帖子

1516

积分

超级版主

Rank: 8Rank: 8

积分
1516
发表于 2020-2-23 15:12:01 | 显示全部楼层 |阅读模式

该帖子包含附件可供参考学习和下载,您可以 搜索 更多您想要的资源


附件详情

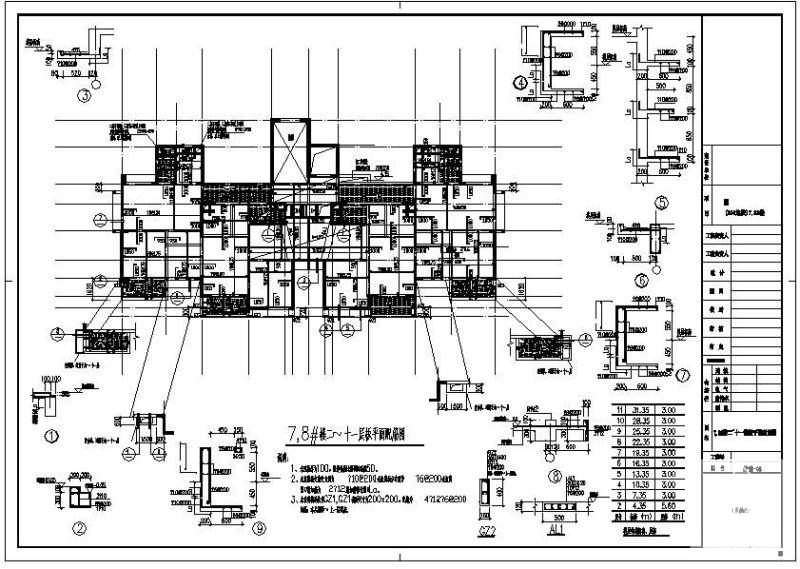
某带地下一层剪力墙住宅结构设计图
该资料为:某带地下一层剪力墙住宅结构设计图
该资料包含:
结构设计说明 、板平面配筋图、梁平面配筋图、机房层屋面板平面配筋图、屋顶层斜板,屋面梁板平面配筋图、墙柱平法施工图、楼梯结构图、梯段配筋示意图共14张图纸。


第 1 张图
第 1 张图
第 2 张图
第 2 张图
第 3 张图
第 3 张图
第 4 张图
第 4 张图
以上是部分图纸截图,有些图框没有放大后再截图,可能截图里不清晰或者看不到内容,您可以在下载后查看具体内容

温馨提示:该资料由网友于2020-2-23 15:12:01上传分享,您可以下载该资料进行学习和参考,如有侵权内容或者违法行为,请及时联系站长删除,如有疑问,您可以在居住建筑专区发帖交流相关知识。

附件2099v11edfc112efcwfcdfcccs.rar

1.15 MB

下载  售价: 100 积分    赚积分

相关帖子

回复

使用道具 举报

您需要登录后才可以回帖 登录 | 立即注册

本版积分规则

QQ|联系我们|豆豆网 ( 苏ICP备20004746号-1 )

GMT+8, 2025-12-22 00:41 , Processed in 0.016143 second(s), 27 queries .

本站所有内容均由网友自主分享,如有侵权内容或者违法行为,请及时联系站长删除,本站将根据实际情况进行积分奖励!请查看:免责声明

快速回复 返回顶部 返回列表