豆豆网

 找回密码
 立即注册

QQ登录

只需一步,快速开始

查看: 1944|回复: 0

入口岗亭详图纸设计cad平面图

[复制链接]

0

主题

0

帖子

1246

积分

超级版主

Rank: 8Rank: 8

积分
1246
发表于 2021-10-28 22:02:59 | 显示全部楼层 |阅读模式

该帖子包含附件可供参考学习和下载,您可以 搜索 更多您想要的资源


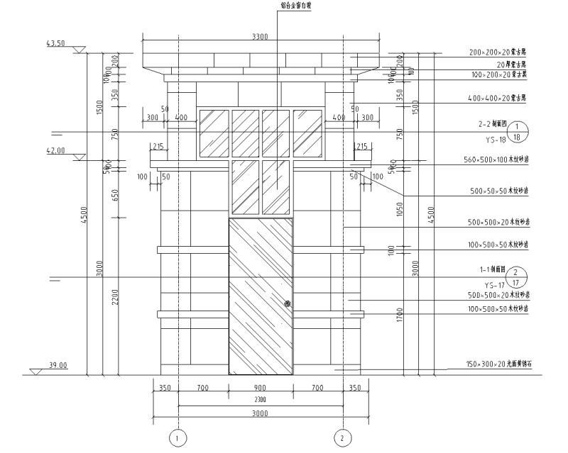
附件详情:入口岗亭详图设计
包含:平面图、立面图、剖面图、大样图。
入口岗亭详图设计 (1).png
入口岗亭详图设计 (2).png
入口岗亭详图设计 (3).png
入口岗亭详图设计 (4).png
入口岗亭详图设计 (5).png
入口岗亭详图设计 (1)
入口岗亭详图设计 (1)
入口岗亭详图设计 (2)
入口岗亭详图设计 (2)
入口岗亭详图设计 (3)
入口岗亭详图设计 (3)
入口岗亭详图设计 (4)
入口岗亭详图设计 (4)
入口岗亭详图设计 (5)
入口岗亭详图设计 (5)
以上是部分图纸截图,有些图框没有放大后再截图,可能截图里不清晰或者看不到内容,您可以在下载后查看具体内容

附件2099v11cscw0wc2sdc2wc1s.dwg

292.58 KB

下载  售价: 100 积分    赚积分

相关帖子

回复

使用道具 举报

您需要登录后才可以回帖 登录 | 立即注册

本版积分规则

QQ|联系我们|豆豆网 ( 苏ICP备20004746号-1 )

GMT+8, 2025-12-28 05:17 , Processed in 0.014950 second(s), 27 queries .

本站所有内容均由网友自主分享,如有侵权内容或者违法行为,请及时联系站长删除,本站将根据实际情况进行积分奖励!请查看:免责声明

快速回复 返回顶部 返回列表