豆豆网

 找回密码
 立即注册

QQ登录

只需一步,快速开始

查看: 1599|回复: 0

一份框架裙楼结构设计方案CAD图纸

[复制链接]

0

主题

0

帖子

1596

积分

超级版主

Rank: 8Rank: 8

积分
1596
发表于 2020-2-23 15:12:29 | 显示全部楼层 |阅读模式

该帖子包含附件可供参考学习和下载,您可以 搜索 更多您想要的资源


  • 建筑类别:住宅建筑
  • 建筑高度:单层建筑
  • 设计阶段:施工图设计
  • 民用建筑设计使用年限:50年
  • 建筑设计结构形式:钢筋混凝土结构,框架结构
  • 结构安全等级:二级
  • 地基基础设计等级:丙级
  • 参考图纸:20张以下
  • 设计年代:近代

附件详情

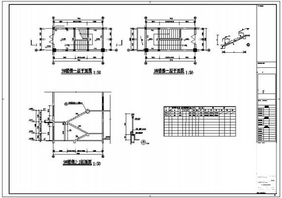
该资料包含:
结构设计说明 、桩基础平面图、结构平面图、屋面结构平面图、梁配筋图、柱配筋平面图、楼梯 节点详图
共8张图纸。


第 1 张图
第 1 张图
第 2 张图
第 2 张图
第 3 张图
第 3 张图
第 4 张图
第 4 张图
以上是部分图纸截图,有些图框没有放大后再截图,可能截图里不清晰或者看不到内容,您可以在下载后查看具体内容

温馨提示:该资料由网友于2020-2-23 15:12:29上传分享,您可以下载该资料进行学习和参考,如有侵权内容或者违法行为,请及时联系站长删除,如有疑问,您可以在结构设计专区发帖交流相关知识。

附件2099v11edfc0wc0eceesdd22c1.rar

5.79 MB

下载  售价: 100 积分    赚积分

相关帖子

回复

使用道具 举报

您需要登录后才可以回帖 登录 | 立即注册

本版积分规则

QQ|联系我们|豆豆网 ( 苏ICP备20004746号-1 )

GMT+8, 2025-12-27 19:34 , Processed in 0.015005 second(s), 27 queries .

本站所有内容均由网友自主分享,如有侵权内容或者违法行为,请及时联系站长删除,本站将根据实际情况进行积分奖励!请查看:免责声明

快速回复 返回顶部 返回列表