豆豆网

 找回密码
 立即注册

QQ登录

只需一步,快速开始

查看: 1962|回复: 0

雨篷构造详图纸cad立面图

[复制链接]

0

主题

0

帖子

1398

积分

超级版主

Rank: 8Rank: 8

积分
1398
发表于 2021-11-4 20:47:37 | 显示全部楼层 |阅读模式

该帖子包含附件可供参考学习和下载,您可以 搜索 更多您想要的资源


附件详情

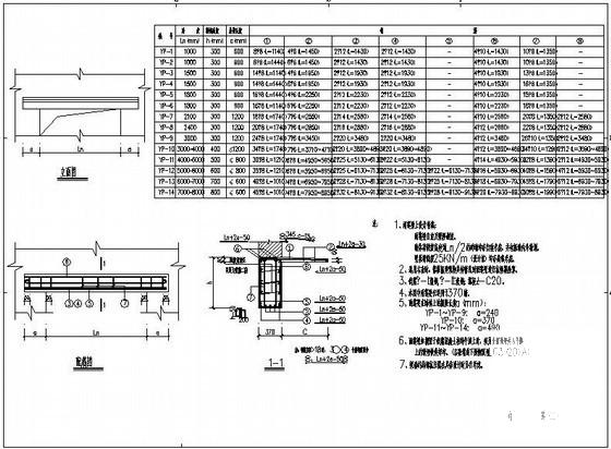
该资料包含:立面图,配筋图,几点详图 共2张图纸。

第 1 张图
第 1 张图
第 2 张图
第 2 张图
以上是部分图纸截图,有些图框没有放大后再截图,可能截图里不清晰或者看不到内容,您可以在下载后查看具体内容

附件2099v11c0sf0sf2fcf2ecf0.rar

92.97 KB

下载  售价: 100 积分    赚积分

相关帖子

回复

使用道具 举报

您需要登录后才可以回帖 登录 | 立即注册

本版积分规则

QQ|联系我们|豆豆网 ( 苏ICP备20004746号-1 )

GMT+8, 2025-12-27 05:47 , Processed in 0.013796 second(s), 27 queries .

本站所有内容均由网友自主分享,如有侵权内容或者违法行为,请及时联系站长删除,本站将根据实际情况进行积分奖励!请查看:免责声明

快速回复 返回顶部 返回列表