豆豆网

 找回密码
 立即注册

QQ登录

只需一步,快速开始

查看: 1707|回复: 0

大型住宅项目10KV配电工程cad系统图

[复制链接]

0

主题

0

帖子

1516

积分

超级版主

Rank: 8Rank: 8

积分
1516
发表于 2021-11-6 13:43:22 | 显示全部楼层 |阅读模式

该帖子包含附件可供参考学习和下载,您可以 搜索 更多您想要的资源


  • 建筑类别:住宅
  • 建筑高度类型:高层建筑
  • 建筑设计结构形式:钢筋混凝土结构
  • 图纸设计深度:施工图
  • 图纸设计格式:CAD2000,PDF
  • 设计年代:近代
  • 地下室用途:车库,设备用房
  • 负荷等级:一级,二级,三级
  • 防雷等级:第三类
  • 火灾保护分级:一级
  • 接地方式:TN-S
  • 项目所在地:贵州
次施工设计 方案 围绕 贵阳万科 ·翡翠天骄项目 2-1号配电房(即 B地块 商业负荷) 10 kV 线路及其配网设备、 10 kV /0.4 kV 变配电所展开,用于指导承建方按照 有关规程、规范和标准 对线路、变配电设备进行采购、建设及安装。
三相三线电能表接入.png
配电柜系统图.png
电力负荷计算书.png
接地房平面布置.png
高压安装固定计量柜.png
10kV供电系统网络图.png
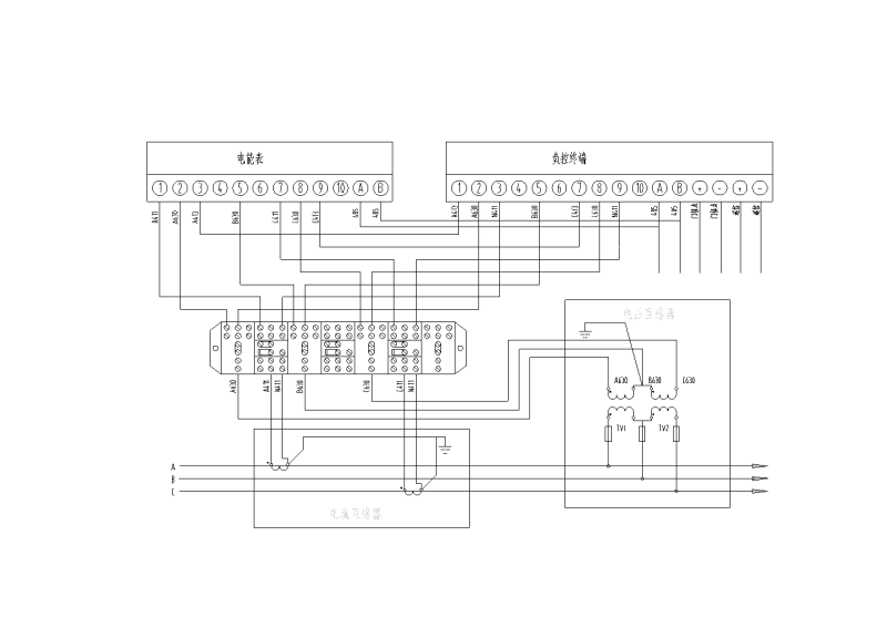
三相三线电能表接入
三相三线电能表接入
配电柜系统图
配电柜系统图
电力负荷计算书
电力负荷计算书
接地房平面布置
接地房平面布置
高压安装固定计量柜
高压安装固定计量柜
10kV供电系统网络图
10kV供电系统网络图
以上是部分图纸截图,有些图框没有放大后再截图,可能截图里不清晰或者看不到内容,您可以在下载后查看具体内容

附件2099pan1cdc1cfsfd2d2d1e1.rar

114.34 MB

下载  售价: 100 积分    赚积分

大型住宅10KV配电系统相关帖子

回复

使用道具 举报

您需要登录后才可以回帖 登录 | 立即注册

本版积分规则

QQ|联系我们|豆豆网 ( 苏ICP备20004746号-1 )

GMT+8, 2025-12-17 15:57 , Processed in 0.017690 second(s), 27 queries .

本站所有内容均由网友自主分享,如有侵权内容或者违法行为,请及时联系站长删除,本站将根据实际情况进行积分奖励!请查看:免责声明

快速回复 返回顶部 返回列表