豆豆网

 找回密码
 立即注册

QQ登录

只需一步,快速开始

查看: 1542|回复: 0

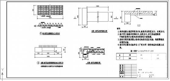
次梁-板节点构造详图纸cad

[复制链接]

0

主题

0

帖子

990

积分

超级版主

Rank: 8Rank: 8

积分
990
发表于 2021-11-17 22:13:43 | 显示全部楼层 |阅读模式

该帖子包含附件可供参考学习和下载,您可以 搜索 更多您想要的资源


附件详情

某次梁-板节点构造详图 共1张图纸。

次梁-板节点构造详图纸cad
第 1 张图
以上是部分图纸截图,有些图框没有放大后再截图,可能截图里不清晰或者看不到内容,您可以在下载后查看具体内容

附件2099v11c0sf01scfwc0d21s.rar

51.89 KB

下载  售价: 100 积分    赚积分

相关帖子

回复

使用道具 举报

您需要登录后才可以回帖 登录 | 立即注册

本版积分规则

QQ|联系我们|豆豆网 ( 苏ICP备20004746号-1 )

GMT+8, 2025-12-30 23:25 , Processed in 0.026653 second(s), 28 queries .

本站所有内容均由网友自主分享,如有侵权内容或者违法行为,请及时联系站长删除,本站将根据实际情况进行积分奖励!请查看:免责声明

快速回复 返回顶部 返回列表