豆豆网

 找回密码
 立即注册

QQ登录

只需一步,快速开始

查看: 1307|回复: 0

三角形桥墩Y型桥墩构造设计钢筋图纸cad

[复制链接]

0

主题

0

帖子

1322

积分

超级版主

Rank: 8Rank: 8

积分
1322
发表于 2021-11-20 20:12:14 | 显示全部楼层 |阅读模式

该帖子包含附件可供参考学习和下载,您可以 搜索 更多您想要的资源


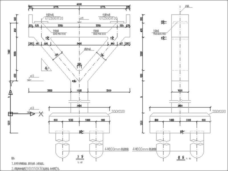
资料三角形桥墩Y型桥墩构造设计钢筋图,含4座桥梁三角形桥墩Y型桥墩设计图纸,共计36张CAD。节点清晰,同类设计可学习参考。
项目概要
三角形桥墩结构包括主梁盖梁和一个Y型桥墩,主梁盖梁设置在一个Y型桥墩上共同组成。桥梁荷载等级: 公路-Ⅱ级。跨径布置:( 11 12 3×13) 4×13 (3×13 12 11)m、3×15m、单跨20m、3×10m。桥梁上部结构采用现浇连续空心板梁,梁高为h=0.6m、0.8m、0.95m、0.45m;下部结构采用Φ800mm钻孔灌注桩。桥墩挡块内侧放置200X150X30橡胶挡块,每个桥墩2块。
图纸内容
三角形桥墩构造图
三角形桥墩盖梁钢筋图
三角形桥墩承台钢筋图
三角形桥墩墩柱(斜)钢筋图
三角形桥墩墩柱(直)钢筋图
三角形桥墩钢筋数量表
三角形桥墩构造图.png
墩柱(斜)钢筋图.png
墩柱(直)钢筋图.png
墩柱钢筋布置图.png
三角形桥墩构造图
三角形桥墩构造图
墩柱(斜)钢筋图
墩柱(斜)钢筋图
墩柱(直)钢筋图
墩柱(直)钢筋图
墩柱钢筋布置图
墩柱钢筋布置图
以上是部分图纸截图,有些图框没有放大后再截图,可能截图里不清晰或者看不到内容,您可以在下载后查看具体内容

附件2099v11cdcfcccc12c1d1w1.rar

4.05 MB

下载  售价: 100 积分    赚积分

相关帖子

回复

使用道具 举报

您需要登录后才可以回帖 登录 | 立即注册

本版积分规则

QQ|联系我们|豆豆网 ( 苏ICP备20004746号-1 )

GMT+8, 2025-12-21 18:56 , Processed in 0.015593 second(s), 27 queries .

本站所有内容均由网友自主分享,如有侵权内容或者违法行为,请及时联系站长删除,本站将根据实际情况进行积分奖励!请查看:免责声明

快速回复 返回顶部 返回列表