豆豆网

 找回密码
 立即注册

QQ登录

只需一步,快速开始

查看: 1100|回复: 0

高坡路第一期道路工程-照明施工大样图cad系统图

[复制链接]

0

主题

0

帖子

1579

积分

超级版主

Rank: 8Rank: 8

积分
1579
发表于 2021-11-24 20:14:32 | 显示全部楼层 |阅读模式

该帖子包含附件可供参考学习和下载,您可以 搜索 更多您想要的资源


  • 建筑类别:交通建筑
  • 建筑高度类型:单层建筑
  • 建筑设计结构形式:钢筋混凝土结构
  • 图纸设计深度:施工图
  • 图纸设计格式:CAD2000,PDF
  • 设计年代:近代
  • 负荷等级:一级,二级,三级
  • 防雷等级:第三类
  • 火灾保护分级:一级
  • 接地方式:TN-S
  • 项目所在地:广东
该附件为高坡路第一期道路工程-照明图纸。
照明工程.png
手孔井大样图.png
路灯控制柜配电系统图.png
照明工程
照明工程
手孔井大样图
手孔井大样图
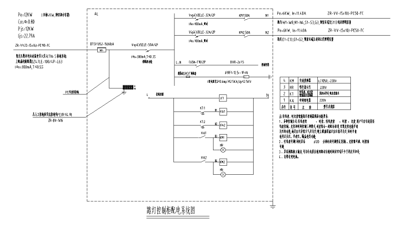
路灯控制柜配电系统图
路灯控制柜配电系统图
以上是部分图纸截图,有些图框没有放大后再截图,可能截图里不清晰或者看不到内容,您可以在下载后查看具体内容

附件2099v11cde2cfdcf200ffc0.zip

24.43 MB

下载  售价: 100 积分    赚积分

相关帖子

回复

使用道具 举报

您需要登录后才可以回帖 登录 | 立即注册

本版积分规则

QQ|联系我们|豆豆网 ( 苏ICP备20004746号-1 )

GMT+8, 2025-12-29 01:58 , Processed in 0.015291 second(s), 27 queries .

本站所有内容均由网友自主分享,如有侵权内容或者违法行为,请及时联系站长删除,本站将根据实际情况进行积分奖励!请查看:免责声明

快速回复 返回顶部 返回列表