豆豆网

 找回密码
 立即注册

QQ登录

只需一步,快速开始

查看: 2922|回复: 0

2层别墅建筑装修电气CAD施工图纸

[复制链接]

0

主题

0

帖子

1322

积分

超级版主

Rank: 8Rank: 8

积分
1322
发表于 2020-2-24 22:26:56 | 显示全部楼层 |阅读模式

该帖子包含附件可供参考学习和下载,您可以 搜索 更多您想要的资源


  • 建筑类别:别墅
  • 建筑高度类型:多层建筑
  • 建筑设计结构形式:钢筋混凝土结构
  • 建筑地上层数:2层
  • 建筑地下层数:1层
  • 图纸设计深度:施工图
  • 参考图纸:13张
  • 设计年代:近代
  • 地下室用途:其它
  • 接地方式:TN-S
  • 项目所在地:天津
  • 强电 设计:低压配电,电气照明,其它
  • 弱电设计:通信系统,有线电视和卫星接收系统,信息网络系统

附件详情

  • 1、 电气设计 说明
  • 2、配电系统图
  • 3、照明配电平面图
  • 4、动力配电平面图
  • 5、 弱电平面图

附件详情

该附件是[天津]二层别墅建筑电气施工图纸,总共13张。
设计范围:1, 装饰部分的正常照明;2, 装饰部分的强电插座;3, 中央空调配电等设备预留;
......
,总共13张。

地下室动力配电平面图

地下室弱电平面图

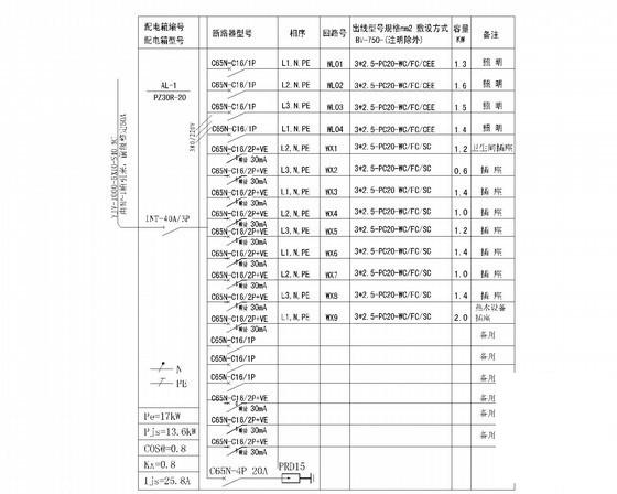
AL-1配电系统图

别墅装修施工图纸 - 1
第 1 张图
别墅装修施工图纸 - 2
第 2 张图
别墅装修施工图纸 - 3
第 3 张图
别墅装修施工图纸 - 4
第 4 张图
以上是部分图纸截图,有些图框没有放大后再截图,可能截图里不清晰或者看不到内容,您可以在下载后查看具体内容

温馨提示:该资料由网友于2020-2-24 22:26:56上传分享,您可以下载该资料进行学习和参考,如有侵权内容或者违法行为,请及时联系站长删除,如有疑问,您可以在别墅建筑专区发帖交流相关知识。

附件2099v11edee00wss2fw111fccf.rar

2.18 MB

下载  售价: 100 积分    赚积分

别墅装修施工图纸相关帖子

回复

使用道具 举报

您需要登录后才可以回帖 登录 | 立即注册

本版积分规则

QQ|联系我们|豆豆网 ( 苏ICP备20004746号-1 )

GMT+8, 2025-12-28 05:48 , Processed in 0.016407 second(s), 27 queries .

本站所有内容均由网友自主分享,如有侵权内容或者违法行为,请及时联系站长删除,本站将根据实际情况进行积分奖励!请查看:免责声明

快速回复 返回顶部 返回列表