| 
 该帖子包含附件可供参考学习和下载,您可以 搜索 更多您想要的资源   
 
  - 
   建筑地上层数:23层
  
 
  - 
   接地方式:TN-S
  
 
  - 
   建筑类别:住宅
  
 
  - 
   建筑高度类型:高层建筑
  
 
  - 
   建筑设计结构形式:钢筋混凝土结构
  
 
  - 
   图纸设计深度:施工图
  
 
  - 
   参考图纸:32张
  
 
  - 
   强电设计:供配电系统,应急电源,低压配电,电气照明,建筑物防雷,接地安全,其它
  
 
  - 
   弱电设计:
   
    火灾自动报警系统
   
   ,通信系统,有线电视和卫星接收系统,信息网络系统,其它
  
 
  - 
   负荷等级:二级
  
 
  - 
   防雷等级:第三类
  
 
  - 
   项目所在地:陕西
  
 
  
 
  
   附件详情
   
  
   - 
    1、电气设计说明
   
 
   - 
    2、备用电源配电柜系统图
   
 
   - 
    3、照明配电柜系统图
   
 
   - 
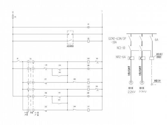
    4、水泵房电力配电系统图
   
 
   - 
    5、单元竖向配电系统图
   
 
   - 
    6、有线电视系统图
   
 
   - 
    7、网络配线系统图
   
 
   - 
    8、火灾自动报警系统图
   
 
   - 
    9、访客对讲系统图
   
 
   - 
    10、消火栓箱配线系统图
   
 
   - 
    11、屋顶
    
     防雷平面图
    
   
 
   - 
    12、基础接地平面图
   
 
   - 
    13、照明平面图
   
 
   - 
    14、
    
     弱电平面图
    
   
 
   - 
    15、消防平面图
   
 
   - 
    16、电力干线平面图
   
 
   
  
 
  
   附件详情
   
  
   该附件是[陕西]综合住宅楼全套
   
    电气施工图
   
   纸,总共32张。
    
   该工程为为二十三层框架剪力墙结构建筑,现浇混凝土楼板,建筑主体高度69米。该项目属一类普通高层住宅建筑,
    
   强电设计内容:1.电气照明系统;2.电力配电系统;3.建筑物防雷接地系统;
    
   弱电设计:1.电话,网络综合布线系统;2.有线电视系统;3.可视访客对讲系统;4.火灾自动报警及联动控制系统图。
    
    
   
  
   
  
   
    通信网络系统图
    
   
    备用电源配电柜
    
   
    排污泵控制箱二次接线图
    
   
  
 
第 1 张图   
第 2 张图   
第 3 张图   
第 4 张图   以上是部分图纸截图,有些图框没有放大后再截图,可能截图里不清晰或者看不到内容,您可以在下载后查看具体内容 
 
 温馨提示:该资料由网友于2020-2-27 09:17:55上传分享,您可以下载该资料进行学习和参考,如有侵权内容或者违法行为,请及时联系站长删除,如有疑问,您可以在居住建筑专区发帖交流相关知识。
 
	
 |