豆豆网

 找回密码
 立即注册

QQ登录

只需一步,快速开始

查看: 639|回复: 0

一份12层办公楼暖通设计CAD施工图纸

[复制链接]

0

主题

0

帖子

1486

积分

超级版主

Rank: 8Rank: 8

积分
1486
发表于 2020-2-27 12:39:04 | 显示全部楼层 |阅读模式

该帖子包含附件可供参考学习和下载,您可以 搜索 更多您想要的资源


  • 附件设计说明:有
  • 建筑类别:办公
  • 建筑高度类型:高层建筑
  • 建筑设计面积:21347平方米
  • 建筑地上层数:12层
  • 图纸设计深度:施工图
  • 参考图纸:14张
  • 设计年代:近代
  • 设计内容:空调,通风,防排烟
  • 冷热源:空气源热泵
  • 空调系统:制冷剂系统
  • 项目所在地:安徽

附件详情

  • 资料目录
  • 空调、通风工程设计施工总说明
  • 主要设备材料表
  • 负一层至十二层通风平面图
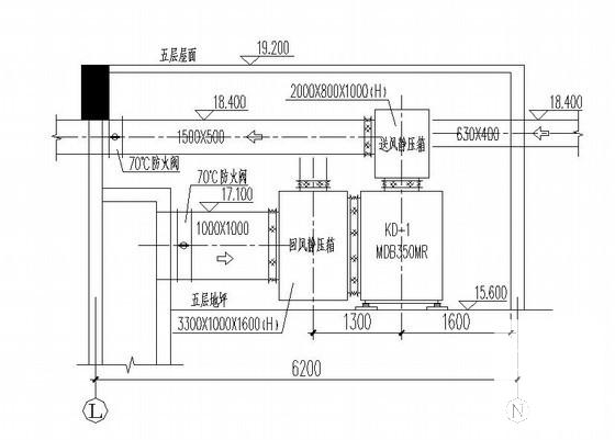
  • 机房层空调通风平面图
  • 空调系统原理图

附件详情

该项目位于xx县。建筑地上十二层,总建筑高度48.5米,建筑面积约21347平方米.
设计内容:冬夏季舒适性中央空调系统,通风及防排烟系统。
根据甲方要求,本建筑采用可变冷媒流量空调系统。每层为独立系统,室内机置于室内吊顶,室外机置于主楼屋面及裙楼屋面,系统划分详见冷媒管路系统流程图。该项目机组采用新型环保制冷剂 R410a,机组采用风冷热泵型。
该项目各房间内空调室内机采用四面出风式;裙楼四层多功能厅采用风冷热泵型高静压式空调机。
防排烟 消防系统 :该项目采用自然排烟。

机房层空调通风平面图

空调系统原理图

第 1 张图
第 1 张图
第 2 张图
第 2 张图
第 3 张图
第 3 张图
第 4 张图
第 4 张图
以上是部分图纸截图,有些图框没有放大后再截图,可能截图里不清晰或者看不到内容,您可以在下载后查看具体内容

温馨提示:该资料由网友于2020-2-27 12:39:04上传分享,您可以下载该资料进行学习和参考,如有侵权内容或者违法行为,请及时联系站长删除,如有疑问,您可以在建筑施工专区发帖交流相关知识。

附件2099v11ede2e222sfe0c1es1ed.rar

910.2 KB

下载  售价: 100 积分    赚积分

相关帖子

回复

使用道具 举报

您需要登录后才可以回帖 登录 | 立即注册

本版积分规则

QQ|联系我们|豆豆网 ( 苏ICP备20004746号-1 )

GMT+8, 2025-12-17 07:23 , Processed in 0.018117 second(s), 27 queries .

本站所有内容均由网友自主分享,如有侵权内容或者违法行为,请及时联系站长删除,本站将根据实际情况进行积分奖励!请查看:免责声明

快速回复 返回顶部 返回列表