豆豆网

 找回密码
 立即注册

QQ登录

只需一步,快速开始

查看: 1445|回复: 0

一份4层钢筋混凝土结构大型车间电气CAD施工图纸

[复制链接]

0

主题

0

帖子

1579

积分

超级版主

Rank: 8Rank: 8

积分
1579
发表于 2020-2-29 15:28:15 | 显示全部楼层 |阅读模式

该帖子包含附件可供参考学习和下载,您可以 搜索 更多您想要的资源


  • 建筑类别:工业建筑
  • 建筑高度类型:多层建筑
  • 建筑设计结构形式:钢筋混凝土结构
  • 建筑地上层数:4层
  • 图纸设计深度:施工图
  • 设计年代:近代
  • 节点大样:等电位联结
  • 防雷等级:第三类
  • 接地方式:TN-S
  • 项目所在地:江苏
  • 强电设计:低压配电,电气照明,建筑物防雷

附件详情

  • 1、 电气设计 说明
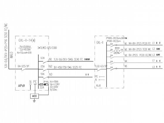
  • 2、配电系统图
  • 3、电梯配电系统图
  • 4、电信系统图
  • 5、 照明系统
  • 6、总等电位连接示意图
  • 7、干线,消防及插座平面图
  • 8、机房层电气平面图
  • 9、 照明平面图
  • 10、屋顶防雷平面

附件详情

该附件是[苏州]大型车间电气施工图纸,总共9张。
本项目车间,长48.8m,宽16.9m,本建筑火灾危险性别为丙类,耐火等级为二级.该资料内容包括:照明,一般插座,自动消防,电信,接地,防雷及总等电位联结等.

干线,消防及插座平面

机房层电气平面

电梯配电系统图

第 1 张图
第 1 张图
第 2 张图
第 2 张图
第 3 张图
第 3 张图
第 4 张图
第 4 张图
以上是部分图纸截图,有些图框没有放大后再截图,可能截图里不清晰或者看不到内容,您可以在下载后查看具体内容

温馨提示:该资料由网友于2020-2-29 15:28:15上传分享,您可以下载该资料进行学习和参考,如有侵权内容或者违法行为,请及时联系站长删除,如有疑问,您可以在电气工程专区发帖交流相关知识。

附件2099v11edece200d0101ccc0fc.rar

674.18 KB

下载  售价: 100 积分    赚积分

相关帖子

回复

使用道具 举报

您需要登录后才可以回帖 登录 | 立即注册

本版积分规则

QQ|联系我们|豆豆网 ( 苏ICP备20004746号-1 )

GMT+8, 2025-12-31 22:47 , Processed in 0.028888 second(s), 28 queries .

本站所有内容均由网友自主分享,如有侵权内容或者违法行为,请及时联系站长删除,本站将根据实际情况进行积分奖励!请查看:免责声明

快速回复 返回顶部 返回列表