豆豆网

 找回密码
 立即注册

QQ登录

只需一步,快速开始

查看: 1808|回复: 0

一份社区入口牌坊结构设计方案CAD图纸

[复制链接]

0

主题

0

帖子

1322

积分

超级版主

Rank: 8Rank: 8

积分
1322
发表于 2020-3-3 20:24:22 | 显示全部楼层 |阅读模式

该帖子包含附件可供参考学习和下载,您可以 搜索 更多您想要的资源


附件详情

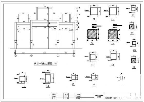
某社区入口牌坊结构设计图
该资料为:某社区入口牌坊结构设计图
该资料包含:
牌坊立面图、牌坊细部详图、牌坊一梁、柱结构及断面图、牌坊二梁、柱结构图、抱鼓石详图、牌坊一基础结构及1-1、2-2剖面图、牌坊一结构剖面图、牌坊二基础结构图。

社区入口设计 - 1
第 1 张图
社区入口设计 - 2
第 2 张图
社区入口设计 - 3
第 3 张图
社区入口设计 - 4
第 4 张图
以上是部分图纸截图,有些图框没有放大后再截图,可能截图里不清晰或者看不到内容,您可以在下载后查看具体内容

温馨提示:该资料由网友于2020-3-3 20:24:22上传分享,您可以下载该资料进行学习和参考,如有侵权内容或者违法行为,请及时联系站长删除,如有疑问,您可以在结构设计专区发帖交流相关知识。

附件2099v11edfce0cc1ce0cecsss2.rar

1.33 MB

下载  售价: 100 积分    赚积分

社区入口设计相关帖子

回复

使用道具 举报

您需要登录后才可以回帖 登录 | 立即注册

本版积分规则

QQ|联系我们|豆豆网 ( 苏ICP备20004746号-1 )

GMT+8, 2025-12-21 06:59 , Processed in 0.015604 second(s), 27 queries .

本站所有内容均由网友自主分享,如有侵权内容或者违法行为,请及时联系站长删除,本站将根据实际情况进行积分奖励!请查看:免责声明

快速回复 返回顶部 返回列表