豆豆网

 找回密码
 立即注册

QQ登录

只需一步,快速开始

查看: 1220|回复: 0

一份18层剪力墙结构住宅楼结构CAD施工图纸(平板式筏基)

[复制链接]

0

主题

0

帖子

1094

积分

超级版主

Rank: 8Rank: 8

积分
1094
发表于 2020-3-10 20:25:38 | 显示全部楼层 |阅读模式

该帖子包含附件可供参考学习和下载,您可以 搜索 更多您想要的资源


  • 建筑类别:住宅
  • 建筑高度类型:高层建筑
  • 建筑地上层数:18层
  • 建筑地下层数:1层
  • 图纸设计深度:施工图
  • 民用建筑设计使用年限:50年
  • 建筑设计结构形式:钢筋混凝土结构
  • 钢筋混凝土结构:剪力墙
  • 基础形式 :筏形基础
  • 结构安全等级:二级
  • 地基基础设计等级:乙级
  • 抗震设防烈度:8度抗震
  • 风压:0.50kN/平方米
  • 雪压:0.40kN/平方米
  • 地下室功能:车库
  • 参考图纸:21张
  • 设计年代:近代

附件详情

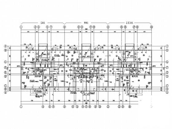
该项目为18层剪力墙结构住宅楼项目,采用平板式筏型基础,抗震设防烈度为8度,总建筑面积约40.8563万平方米,该资料包含:结构设计总说明,暗柱详图,机房层顶板配筋平面图,地下一层墙体、顶板留洞图,标准层顶板配筋平面图,屋面层顶板配筋平面图,机房层墙体结构平面图,五层~十七层墙体结构平面图,屋面层墙体结构平面图,首层墙体结构平面图,二层~四层墙体结构平面图,基础结构平面图,地下一层墙体结构平面图等共21张图纸。
12月。

地下一层墙体结构平面图

地下一层顶板配筋平面图

屋面层顶板配筋平面图

地下一层墙体、顶板留洞图

标准层顶板配筋平面图

板式结构住宅 - 1
第 1 张图
板式结构住宅 - 2
第 2 张图
板式结构住宅 - 3
第 3 张图
板式结构住宅 - 4
第 4 张图
板式结构住宅 - 5
第 5 张图
板式结构住宅 - 6
第 6 张图
以上是部分图纸截图,有些图框没有放大后再截图,可能截图里不清晰或者看不到内容,您可以在下载后查看具体内容

温馨提示:该资料由网友于2020-3-10 20:25:38上传分享,您可以下载该资料进行学习和参考,如有侵权内容或者违法行为,请及时联系站长删除,如有疑问,您可以在居住建筑专区发帖交流相关知识。

附件2099v11edfcewwcdc2wcfd2cd1.rar

2.79 MB

下载  售价: 100 积分    赚积分

板式结构住宅相关帖子

回复

使用道具 举报

您需要登录后才可以回帖 登录 | 立即注册

本版积分规则

QQ|联系我们|豆豆网 ( 苏ICP备20004746号-1 )

GMT+8, 2025-11-20 08:14 , Processed in 0.016853 second(s), 27 queries .

本站所有内容均由网友自主分享,如有侵权内容或者违法行为,请及时联系站长删除,本站将根据实际情况进行积分奖励!请查看:免责声明

快速回复 返回顶部 返回列表