豆豆网

 找回密码
 立即注册

QQ登录

只需一步,快速开始

查看: 578|回复: 0

一份4层框架结构综合楼结构CAD施工图纸(坡屋顶)

[复制链接]

0

主题

0

帖子

1096

积分

超级版主

Rank: 8Rank: 8

积分
1096
发表于 2020-2-9 21:52:58 | 显示全部楼层 |阅读模式

该帖子包含附件可供参考学习和下载,您可以 搜索 更多您想要的资源


  • 建筑类别:办公
  • 建筑高度类型:多层建筑
  • 建筑地上层数:4层
  • 建筑地下层数:0层
  • 图纸设计深度:施工图
  • 民用建筑设计使用年限:50年
  • 建筑设计结构形式:钢筋混凝土结构
  • 钢筋混凝土结构:框架
  • 基础形式 :独立基础
  • 结构安全等级:二级
  • 地基基础设计等级:乙级
  • 结构最大跨度:9.0m
  • 风压:0.30kN/平方米
  • 参考图纸:18张
  • 设计年代:近代

附件详情

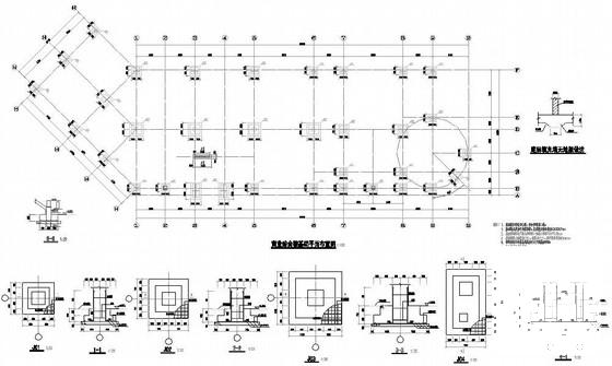
该项目为4层框架结构综合楼,层高4.2m。采用柱下独立基础,基础持力层为中风化泥岩,其承载力特征值为1300KPa。6度抗震设防,屋面为坡屋顶。包括:结构设计总说明,坡屋顶构件大样图,基础平面布置图,柱平面定位图,结构 平面布置图 ,各层梁构造图, 楼梯详图 ,弧形梁构造详图等共计18张图纸。

柱平面定位图

基础平面布置图及基础详图

坡屋顶梁构造详图

弧形梁构造详图

坡屋顶节点详图

楼梯详图

第 1 张图
第 1 张图
第 2 张图
第 2 张图
第 3 张图
第 3 张图
第 4 张图
第 4 张图
第 5 张图
第 5 张图
第 6 张图
第 6 张图
以上是部分图纸截图,有些图框没有放大后再截图,可能截图里不清晰或者看不到内容,您可以在下载后查看具体内容

温馨提示:该资料由网友于2020-2-9 21:52:58上传分享,您可以下载该资料进行学习和参考,如有侵权内容或者违法行为,请及时联系站长删除,如有疑问,您可以在建筑施工专区发帖交流相关知识。

附件2099v11edfccec21sc0f2s22f2.rar

1.99 MB

下载  售价: 100 积分    赚积分

相关帖子

回复

使用道具 举报

您需要登录后才可以回帖 登录 | 立即注册

本版积分规则

QQ|联系我们|豆豆网 ( 苏ICP备20004746号-1 )

GMT+8, 2025-12-27 19:57 , Processed in 0.015253 second(s), 27 queries .

本站所有内容均由网友自主分享,如有侵权内容或者违法行为,请及时联系站长删除,本站将根据实际情况进行积分奖励!请查看:免责声明

快速回复 返回顶部 返回列表