豆豆网

 找回密码
 立即注册

QQ登录

只需一步,快速开始

查看: 691|回复: 0

一份单层钢框架结构传达室结构CAD施工图纸(独立基础)

[复制链接]

0

主题

0

帖子

1351

积分

超级版主

Rank: 8Rank: 8

积分
1351
发表于 2020-2-10 16:27:23 | 显示全部楼层 |阅读模式

该帖子包含附件可供参考学习和下载,您可以 搜索 更多您想要的资源


  • 建筑类别:办公
  • 建筑高度类型:单层建筑
  • 建筑地上层数:1层
  • 图纸设计深度:施工图
  • 民用建筑设计使用年限:50年
  • 建筑设计结构形式:钢结构
  • 钢结构:轻钢结构
  • 基础形式 :独立基础
  • 结构安全等级:二级
  • 地基基础设计等级:丙级
  • 风压:0.45kN/平方米
  • 雪压:0.30kN/平方米
  • 参考图纸:6张

附件详情

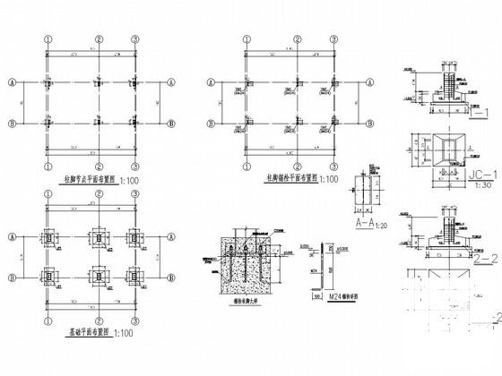
该附件为山东某传达室,地上单层,建筑设计结构形式为钢框架结构,层高3.9米,从地面到女儿墙装饰层高度为4.9米,基础为独立基础。
该资料包含:钢 结构设计说明 、柱脚节点平面布置图、基础平面布置图、楼板配筋图、构件 平面布置图 、柱脚节点详图等共6张图纸。

构件平面布置图

节点详图

大样详图

第 1 张图
第 1 张图
第 2 张图
第 2 张图
第 3 张图
第 3 张图
第 4 张图
第 4 张图
以上是部分图纸截图,有些图框没有放大后再截图,可能截图里不清晰或者看不到内容,您可以在下载后查看具体内容

温馨提示:该资料由网友于2020-2-10 16:27:23上传分享,您可以下载该资料进行学习和参考,如有侵权内容或者违法行为,请及时联系站长删除,如有疑问,您可以在建筑施工专区发帖交流相关知识。

附件2099v11edfcewees0e0fdfddde.zip

896.86 KB

下载  售价: 100 积分    赚积分

相关帖子

回复

使用道具 举报

您需要登录后才可以回帖 登录 | 立即注册

本版积分规则

QQ|联系我们|豆豆网 ( 苏ICP备20004746号-1 )

GMT+8, 2025-12-18 02:35 , Processed in 0.016962 second(s), 27 queries .

本站所有内容均由网友自主分享,如有侵权内容或者违法行为,请及时联系站长删除,本站将根据实际情况进行积分奖励!请查看:免责声明

快速回复 返回顶部 返回列表