豆豆网

 找回密码
 立即注册

QQ登录

只需一步,快速开始

查看: 2132|回复: 0

[CAD]3层砌体结构民房结构图纸(砌体结构条形基础)

[复制链接]

0

主题

0

帖子

1348

积分

超级版主

Rank: 8Rank: 8

积分
1348
发表于 2020-2-10 17:04:34 | 显示全部楼层 |阅读模式

该帖子包含附件可供参考学习和下载,您可以 搜索 更多您想要的资源


  • 建筑类别:住宅
  • 建筑高度类型:多层建筑
  • 建筑地上层数:3层
  • 图纸设计深度:施工图
  • 民用建筑设计使用年限:50年
  • 建筑设计结构形式:砌体结构
  • 基础形式 :条形基础
  • 结构安全等级:二级
  • 抗震设防烈度:7度抗震
  • 参考图纸:4张
  • 设计年代:近代

附件详情

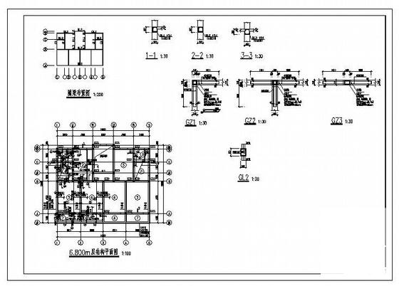
某三层砌体结构民房结构图
该资料为:某三层砌体结构民房结构图
抗震设防裂度为7度
该资料包含:
圈梁布置图、结构平面图、屋面结构平面图、屋面梁结构平面图共4张图纸。


2

3

条形基础结构图 - 1
第 1 张图
条形基础结构图 - 2
第 2 张图
条形基础结构图 - 3
第 3 张图
以上是部分图纸截图,有些图框没有放大后再截图,可能截图里不清晰或者看不到内容,您可以在下载后查看具体内容

温馨提示:该资料由网友于2020-2-10 17:04:34上传分享,您可以下载该资料进行学习和参考,如有侵权内容或者违法行为,请及时联系站长删除,如有疑问,您可以在结构设计专区发帖交流相关知识。

附件2099v11edfweedscccc0ff2cfc.rar

196.64 KB

下载  售价: 100 积分    赚积分

条形基础结构图相关帖子

回复

使用道具 举报

您需要登录后才可以回帖 登录 | 立即注册

本版积分规则

QQ|联系我们|豆豆网 ( 苏ICP备20004746号-1 )

GMT+8, 2025-11-6 20:34 , Processed in 0.015117 second(s), 27 queries .

本站所有内容均由网友自主分享,如有侵权内容或者违法行为,请及时联系站长删除,本站将根据实际情况进行积分奖励!请查看:免责声明

快速回复 返回顶部 返回列表