豆豆网

 找回密码
 立即注册

QQ登录

只需一步,快速开始

查看: 2999|回复: 0

一份带地下室、闷顶、物房、住宅楼小区结构CAD施工图纸

[复制链接]

0

主题

0

帖子

1642

积分

超级版主

Rank: 8Rank: 8

积分
1642
发表于 2020-2-11 11:20:16 | 显示全部楼层 |阅读模式

该帖子包含附件可供参考学习和下载,您可以 搜索 更多您想要的资源


  • 建筑类别:住宅
  • 建筑高度类型:多层建筑
  • 图纸设计深度:施工图
  • 民用建筑设计使用年限:50年
  • 建筑设计结构形式:钢筋混凝土结构
  • 钢筋混凝土结构:框架
  • 基础形式 :桩基础
  • 结构安全等级:二级
  • 参考图纸:39张

附件详情

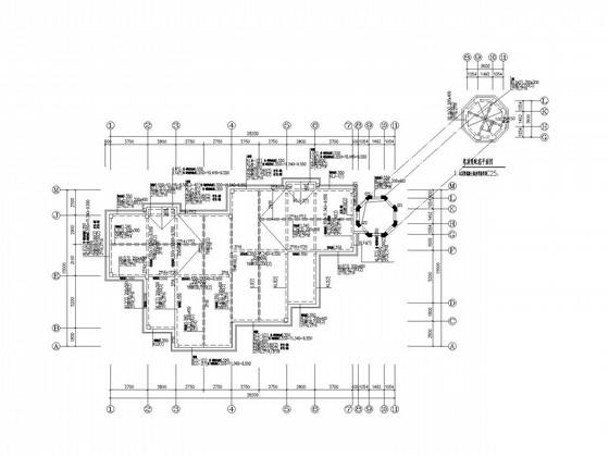
1、住宅楼:
桩基,基础梁平面图、柱配筋平面图、结构平面图、屋面结构平面图、塔顶结构平面图、梁配筋平面图、屋面梁配筋平面图、塔顶梁配筋平面图、楼梯平面图共28张图纸;
2、地下室+闷顶:
桩基,基础梁平面图、结构平面图、梁配筋平面图、闷顶层结构平面图、屋面结构平面图、闷顶层梁配筋平面图、屋面梁配筋平面图、 楼梯详图 共8张图纸;
3、物业配电房:
桩基、基础梁平面图、楼梯平面图、柱配筋平面图、屋面结构平面图、屋面梁配筋平面图共3张图纸。


住宅三层结构平面图

屋面梁配筋平面图

柱网平面图

物房结构图

闷顶层结构平面图

第 1 张图
第 1 张图
第 2 张图
第 2 张图
第 3 张图
第 3 张图
第 4 张图
第 4 张图
第 5 张图
第 5 张图
第 6 张图
第 6 张图
以上是部分图纸截图,有些图框没有放大后再截图,可能截图里不清晰或者看不到内容,您可以在下载后查看具体内容

温馨提示:该资料由网友于2020-2-11 11:20:16上传分享,您可以下载该资料进行学习和参考,如有侵权内容或者违法行为,请及时联系站长删除,如有疑问,您可以在居住建筑专区发帖交流相关知识。

附件2099v11edfccffw100fe1f0ccc.zip

5.73 MB

下载  售价: 100 积分    赚积分

相关帖子

回复

使用道具 举报

您需要登录后才可以回帖 登录 | 立即注册

本版积分规则

QQ|联系我们|豆豆网 ( 苏ICP备20004746号-1 )

GMT+8, 2025-12-24 20:48 , Processed in 0.015769 second(s), 27 queries .

本站所有内容均由网友自主分享,如有侵权内容或者违法行为,请及时联系站长删除,本站将根据实际情况进行积分奖励!请查看:免责声明

快速回复 返回顶部 返回列表