豆豆网

 找回密码
 立即注册

QQ登录

只需一步,快速开始

查看: 2357|回复: 0

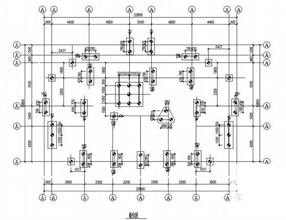
一份框架剪力墙结构住宅楼结构CAD施工图纸(11层桩基础)(梁平法配筋图)

[复制链接]

0

主题

0

帖子

1831

积分

超级版主

Rank: 8Rank: 8

积分
1831
发表于 2020-2-12 09:01:04 | 显示全部楼层 |阅读模式

该帖子包含附件可供参考学习和下载,您可以 搜索 更多您想要的资源


  • 建筑类别:住宅
  • 建筑高度类型:高层建筑
  • 建筑地上层数:11层
  • 建筑地下层数:1层
  • 图纸设计深度:施工图
  • 民用建筑设计使用年限:50年
  • 建筑设计结构形式:钢筋混凝土结构
  • 钢筋混凝土结构:框架剪力墙
  • 基础形式 :桩基础
  • 结构安全等级:二级
  • 抗震设防烈度:抗震不设防
  • 地下室功能:其他
  • 参考图纸:33张
  • 设计年代:近代

附件详情

该资料包含: 结构设计说明 ,桩位图,承台平面图,承台大样,基础底板配筋及侧墙平面图,墙、柱定位图,结构 平面布置图 ,梁平法配筋图,现浇板配筋平面图, 楼梯详图
共33张图纸。

第 1 张图
第 1 张图
第 2 张图
第 2 张图
第 3 张图
第 3 张图
第 4 张图
第 4 张图
以上是部分图纸截图,有些图框没有放大后再截图,可能截图里不清晰或者看不到内容,您可以在下载后查看具体内容

温馨提示:该资料由网友于2020-2-12 09:01:04上传分享,您可以下载该资料进行学习和参考,如有侵权内容或者违法行为,请及时联系站长删除,如有疑问,您可以在居住建筑专区发帖交流相关知识。

附件2099v11edfc2c0sfw0c0e020ec.rar

1.89 MB

下载  售价: 100 积分    赚积分

相关帖子

回复

使用道具 举报

您需要登录后才可以回帖 登录 | 立即注册

本版积分规则

QQ|联系我们|豆豆网 ( 苏ICP备20004746号-1 )

GMT+8, 2025-12-18 22:54 , Processed in 0.018061 second(s), 27 queries .

本站所有内容均由网友自主分享,如有侵权内容或者违法行为,请及时联系站长删除,本站将根据实际情况进行积分奖励!请查看:免责声明

快速回复 返回顶部 返回列表