豆豆网

 找回密码
 立即注册

QQ登录

只需一步,快速开始

查看: 2402|回复: 0

35KV变电站电气设计CAD图纸(电压互感器)

[复制链接]

0

主题

0

帖子

1596

积分

超级版主

Rank: 8Rank: 8

积分
1596
发表于 2020-2-16 21:44:42 | 显示全部楼层 |阅读模式

该帖子包含附件可供参考学习和下载,您可以 搜索 更多您想要的资源


附件详情

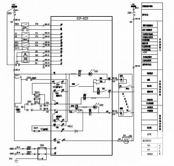
该资料为江西某35KV变电站全套 电气设计 ,设计内容包括电压互感器端子设计,电容器二次回路,综合自动化系统,直流回路原理,主控室屏位布置等。

第 1 张图
第 1 张图
第 2 张图
第 2 张图
第 3 张图
第 3 张图
第 4 张图
第 4 张图
以上是部分图纸截图,有些图框没有放大后再截图,可能截图里不清晰或者看不到内容,您可以在下载后查看具体内容

温馨提示:该资料由网友于2020-2-16 21:44:42上传分享,您可以下载该资料进行学习和参考,如有侵权内容或者违法行为,请及时联系站长删除,如有疑问,您可以在电气工程专区发帖交流相关知识。

附件2099v11edecd00fcc1ee02dd2c.rar

904.13 KB

下载  售价: 100 积分    赚积分

相关帖子

回复

使用道具 举报

您需要登录后才可以回帖 登录 | 立即注册

本版积分规则

QQ|联系我们|豆豆网 ( 苏ICP备20004746号-1 )

GMT+8, 2025-12-22 02:49 , Processed in 0.014671 second(s), 27 queries .

本站所有内容均由网友自主分享,如有侵权内容或者违法行为,请及时联系站长删除,本站将根据实际情况进行积分奖励!请查看:免责声明

快速回复 返回顶部 返回列表