豆豆网

 找回密码
 立即注册

QQ登录

只需一步,快速开始

查看: 561|回复: 0

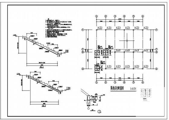
一份两层框架结构停车厂游客接待中心结构设计CAD施工图纸(基础平面图)

[复制链接]

0

主题

0

帖子

1085

积分

超级版主

Rank: 8Rank: 8

积分
1085
发表于 2020-2-17 09:00:19 | 显示全部楼层 |阅读模式

该帖子包含附件可供参考学习和下载,您可以 搜索 更多您想要的资源


  • 建筑类别:商业
  • 建筑高度类型:多层建筑
  • 建筑地上层数:2层
  • 图纸设计深度:施工图
  • 民用建筑设计使用年限:50年
  • 建筑设计结构形式:钢结构
  • 钢结构:门式刚架
  • 基础形式 :混凝土基础,独立基础
  • 结构安全等级:二级
  • 地基基础设计等级:丙级
  • 抗震设防烈度:6度抗震
  • 风压:0.4kN/平方米
  • 雪压:0.35kN/平方米
  • 地下室功能:车库
  • 参考图纸:9张
  • 设计年代:近代

附件详情

结构设计总说明、基础平面图、柱配筋图、基础梁配筋图、梁配筋图、板配筋图、隔热层柱配筋图、 楼梯详图 共9张图纸。

游客接待中心施工图 - 1
第 1 张图
游客接待中心施工图 - 2
第 2 张图
游客接待中心施工图 - 3
第 3 张图
游客接待中心施工图 - 4
第 4 张图
以上是部分图纸截图,有些图框没有放大后再截图,可能截图里不清晰或者看不到内容,您可以在下载后查看具体内容

温馨提示:该资料由网友于2020-2-17 09:00:19上传分享,您可以下载该资料进行学习和参考,如有侵权内容或者违法行为,请及时联系站长删除,如有疑问,您可以在建筑施工专区发帖交流相关知识。

附件2099v11edfcwfedc2dwf0cc00e.zip

376.71 KB

下载  售价: 100 积分    赚积分

游客接待中心施工图相关帖子

回复

使用道具 举报

您需要登录后才可以回帖 登录 | 立即注册

本版积分规则

QQ|联系我们|豆豆网 ( 苏ICP备20004746号-1 )

GMT+8, 2025-12-28 04:54 , Processed in 0.016706 second(s), 27 queries .

本站所有内容均由网友自主分享,如有侵权内容或者违法行为,请及时联系站长删除,本站将根据实际情况进行积分奖励!请查看:免责声明

快速回复 返回顶部 返回列表