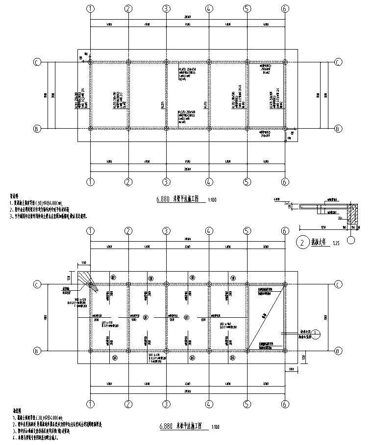
3层仿古阁楼混凝土结构施工方案大样图CAD
- 发布时间:2021-05-12
- 评论次数:0
- 浏览次数:0
- 文件大小:1.92 MB
- 收藏次数:0
-
文件名称:
附件-996066579577859708.dwg
混凝土结构施工方案下载
- 混凝土结构工程加固施工方案
- 混凝土结构工程加固施工及方案
- 主体结构混凝土施工方案.docx
- 论混凝土结构工程加固施工及方案的优选
- 立交钢箱梁吊装施工方案(混凝土结构)
- 浅谈混凝土结构工程加固施工方案
- 混凝土砌体结构厂房工程施工方案
- 国内钢结构库房施工方案(厂房混凝土柱)
- 设备基础施工方案(钢筋混凝土结构)
- 混凝土楼梯合集结构施工方案图纸CAD
- 高层安置房混凝土结构施工方案图纸CAD
- 学校5层混凝土结构施工方案图纸CAD
- 钢结构屋面混凝土施工方案.pdf
- 框架-核心筒结构混凝土施工方案.doc
- 框架结构建筑混凝土施工方案.doc
- 剪力墙结构混凝土施工方案.doc
- 超长底板混凝土结构施工方案cad
- 钢筋混凝土剪力墙结构多层洋房混凝土施工方案.doc
- 混凝土结构转换层施工
- 单层砖混结构混凝土加固结构施工方案大样图CAD
全部评论
评论网友评论仅友表达个人看法,并不表明本站同意其观点,不得发布违反法律法规的内容!
