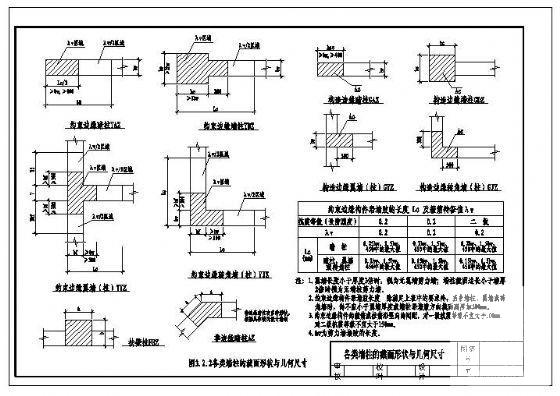
剪力墙平法施工CAD图纸制图纸规则
- 发布时间:2021-05-13
- 评论次数:0
- 浏览次数:0
- 文件大小:0.16 MB
- 收藏次数:0
-
文件名称:
附件-995798577795897755.rar
剪力墙施工图纸下载
- 剪力墙平法CAD施工图纸制图纸规则,共10张图纸(dwg)
- 柱平法CAD施工图纸制图纸规则,共5张(dwg)
- 柱平法施工CAD图纸制图纸规则
- 混凝土平法规则——剪力墙平法识图
- 梁平法CAD施工图纸制图纸规则,共11张图纸(dwg)
- 有梁楼盖平法CAD施工图纸制图纸规则(dwg)
- 柱、墙平法CAD施工图纸制图纸要求(dwg)
- 有梁楼盖平法CAD施工图纸制图纸规则,共6张图纸(贯通筋)(dwg)
- 无梁楼盖平法CAD施工图纸制图纸规则(节点详图纸).dwg
- 梁平法施工CAD图纸制图纸规则
- 混凝土平法规则——剪力墙平法识图及钢筋构
- 混凝土结土平法规则——柱平法识图
- 一份无梁楼盖平法CAD施工方案图纸制图纸规则
- 剪力墙平法识图规则(PPT格式,23页)
- 楼梯平法识图规则讲义(ppt格式)
- 剪力墙平法识图cad
- 剪力墙平法识图
- [32层剪力墙住宅楼结构CAD施工图纸(平法图纸)
- 平法识图与钢筋算量——剪力墙平法施工图cad
- 剪力墙平法节点构造详施工图纸cad扶壁柱构造
全部评论
评论网友评论仅友表达个人看法,并不表明本站同意其观点,不得发布违反法律法规的内容!
