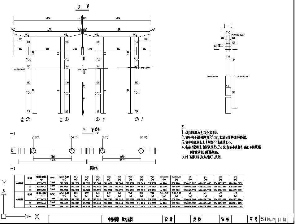
中桥设计CAD图纸
- 发布时间:2021-05-15
- 评论次数:0
- 浏览次数:0
- 文件大小:1.07 MB
- 收藏次数:0
-
文件名称:
附件-995798865780967577.rar
相关下载
- 国外中桥设计CAD图纸(dwg)
- 国外一份中桥设计dwg格式CAD图纸
- 6跨13米桥中桥设计CAD图纸(dwg)
- 20m跨径中桥设计格式图纸
- 20m跨径中桥设计图纸.
- 中桥施工方案.doc
- 中桥竣工CAD图纸(预应力空心板)(dwg)
- 中桥成套CAD图纸(20米空心板)(dwg)
- 高速公路中桥CAD图纸(钢筋构造图)(dwg)
- 框构中桥施工组织设计.doc
- 一份公路改建工程中桥设计dwg格式CAD图纸(扩大基础)
- 一份二级公路中桥设计dwg格式CAD图纸(桩基础)
- 一份6跨13米桥中桥设计dwg格式CAD图纸
- 公路改建工程中桥设计CAD图纸(扩大基础)(dwg)
- 二级公路中桥全套设计CAD图纸(桩基础)(dwg)
- 张家港市区中桥设计CAD图纸(板式橡胶支座)(dwg)(桩基础)
- 一份大、中桥伸缩缝节点构造详细设计CAD图纸
- [CAD]三座中桥设计图纸(钢筋布置图).dwg
- [CAD]中桥设计图纸(公路桥涵施工技术规范).dwg
- 二级公路跨河中桥施工设计图纸.
全部评论
评论网友评论仅友表达个人看法,并不表明本站同意其观点,不得发布违反法律法规的内容!
