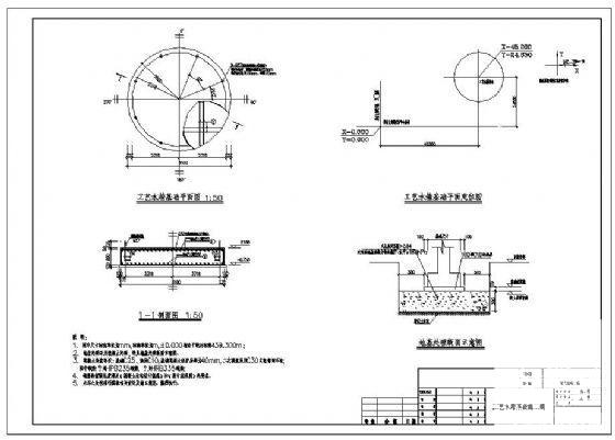
烟气脱硫工程基础施工图纸cad详图
- 发布时间:2021-05-18
- 评论次数:0
- 浏览次数:0
- 文件大小:0.27 MB
- 收藏次数:0
-
文件名称:
附件-995797795900577598.rar
烟气脱硫工程详图下载
- 烟气脱硫脱硝
- 烟气脱硫系统CAD图纸(dwg)
- 烟气脱硫工程玻璃鳞片防腐施工方案
- 锅炉烟气脱硫除尘工程CAD图纸(dwg)
- 烟气脱硫管道工程结构CAD图纸
- 烟气脱硫工程防腐保温施工方案.doc
- 纸业公司锅炉烟气脱硫工程白泥法脱硫管路布置CAD图纸
- 锅炉烟气脱硫工程白泥法脱硫管路CAD图纸
- [CAD图]电厂烟气脱硫电气主接线(dwg)
- 油田煤粉炉烟气脱硫改造工程电气CAD图纸(电缆线路设计)
- 烧结机烟气脱硫工程施工组织设计(压缩空气系统)
- 玻璃厂窑炉烟气治理工程脱硫CAD图纸(dwg)
- 电厂烟气脱硫工程钢烟道防腐施工组织设计
- 电厂新建烟气脱硫工程施工组织设计(风机基础)
- 一份烟气脱硫工程基础详细设计CAD施工图纸
- [CAD]锅炉烟气脱硫除尘工程图纸(总共15页图纸).dwg
- 3×600MW超临界机组烟气脱硫工程CAD施工图纸
- 玻璃厂窑炉烟气治理工程脱硫CAD图纸
- 锅炉烟气脱硫废水处理工程施工工作总结.doc
- 某电厂新建烟气脱硫工程施工组织设计方案..doc
全部评论
评论网友评论仅友表达个人看法,并不表明本站同意其观点,不得发布违反法律法规的内容!
