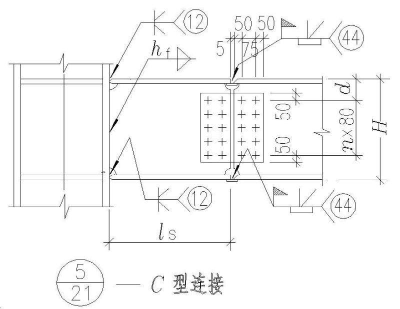
框架梁与柱相连时在节点中连接件的选用一览表节点构造详图纸cad_3个节点
- 发布时间:2021-05-20
- 评论次数:0
- 浏览次数:0
- 文件大小:0.04 MB
- 收藏次数:0
-
文件名称:
附件-995797708967587568.rar
一览表节点构造详图下载
- 钢柱柱脚节点构造CAD详图纸一览表(dwg)
- 钢柱柱脚构造CAD详图纸及一览表(dwg)
- 钢柱柱脚构造详图纸一览表cad
- 次粱与主粱相连时在节点中连接件的选用一览表节点构造详图纸cad
- 一份钢柱柱脚节点构造详细设计CAD图纸一览表
- 焊接节点构造CAD详图纸(dwg)
- 预埋件节点构造CAD详图纸(dwg)
- 屋脊节点构造CAD详图纸(dwg)
- 天沟节点构造CAD详图纸(dwg)
- 天沟节点构造CAD详图纸(dwg)
- 网架节点构造CAD详图纸(dwg)
- 支托节点构造CAD详图纸(dwg)
- 预埋件节点构造CAD详图纸(dwg)
- 网架节点构造CAD详图纸(dwg)
- 山墙节点构造CAD详图纸(dwg)
- 气楼节点构造CAD详图纸(dwg)
- 幕墙节点构造CAD详图纸(dwg)
- 铝塑板节点构造CAD详图纸(dwg)
- 过梁节点构造CAD详图纸(dwg)
- 网架节点构造CAD详图纸(dwg)
全部评论
评论网友评论仅友表达个人看法,并不表明本站同意其观点,不得发布违反法律法规的内容!
