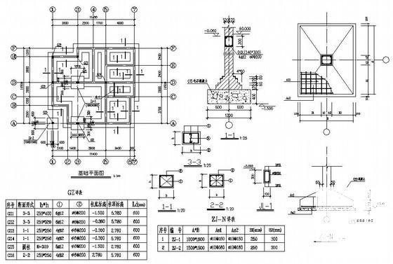
3层砖混结构新农村住宅楼建筑结构设计施工CAD图纸
- 发布时间:2021-04-30
- 评论次数:0
- 浏览次数:0
- 文件大小:0.51 MB
- 收藏次数:0
-
文件名称:
附件-995879705888957796785.rar
新农村住宅设计图纸下载
- 新农村住宅建筑施工CAD图纸
- 新农村住宅建筑dwg格式设计CAD图纸
- 新农村住宅建筑dwg格式CAD施工图纸
- 3层新农村住宅建筑施工CAD图纸
- 新农村3层住宅施工CAD图纸
- 新农村牌坊设计CAD图纸(dwg)
- 南方地区新农村住宅设计方案竞赛综述
- 新农村3层住宅设计方案_CAD
- 新农村住宅设计图38张.doc
- 现代化新农村住宅方案选-现代住宅
- 新农村2层坡顶住宅楼建筑设计CAD图纸
- 一份精美新农村小康住宅建筑设计CAD图纸
- [建筑方案图]2层新农村住宅楼建筑方案设计CAD图纸
- 一份2层新农村住宅楼建筑方案设计CAD图纸
- [建筑方案图]新农村2层住宅楼建筑方案设计CAD图纸
- 一份新农村住宅建筑方案设计CAD图纸
- 2层新农村住宅建筑方案设计CAD初设图纸
- 新农村2层连排式住宅方案设计CAD初设图纸
- 新农村2层住宅楼全套电气设计施工CAD图纸
- 新农村景观规划CAD图纸
全部评论
评论网友评论仅友表达个人看法,并不表明本站同意其观点,不得发布违反法律法规的内容!
