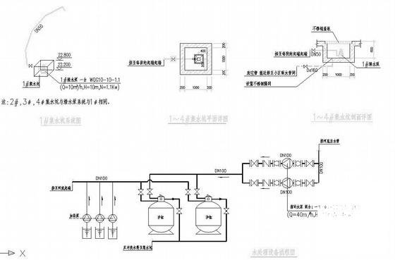
小区水景给排水设计CAD图纸
- 发布时间:2021-05-02
- 评论次数:0
- 浏览次数:0
- 文件大小:3.43 MB
- 收藏次数:0
- 
								文件名称: 附件-995875985679775685898.rar 附件-995875985679775685898.rar
								小区水景给排水下载
							
						- [CAD]小区水景给排水设计图纸.dwg
- [CAD]小区水景给排水设计图纸.dwg
- [CAD]小区水景给排水设计图纸(水处理设备).dwg
- 小区水景CAD施工图纸(dwg)
- 小区景观施工CAD图纸全套(水景设计)(dwg)
- 小区稻草地水景设计CAD施工图纸.dwg
- [CAD]小区入口水景设计图纸.dwg
- 小区水景施工dwg格式CAD图纸(平面图)
- 小区特色水景CAD详图纸(系统图)(dwg)
- 小区水景花园工程施工CAD图纸
- 中式小区景观+中央水景设计SU模型
- 小区入口水景观全套施工CAD图纸(铺装设计图纸)
- [CAD图]广场入口水景给排水设计(dwg)
- 一份水景小品及跌水dwg格式CAD图纸大样图纸(水景给排水)
- 水景施工社区住宅水景设计详图项目图纸cad
- 一份小区入口流水景墙和花钵施工详细设计CAD图纸
- 易道的一份小区水景设计CAD施工方案图纸
- 一份小区景观带水景设计CAD施工图纸
- 一份小区特色水景dwg格式详细设计CAD图纸(平面图)
- 一份小区四种水景dwg格式施工详细设计CAD图纸
全部评论
						
							评论网友评论仅友表达个人看法,并不表明本站同意其观点,不得发布违反法律法规的内容!
						
						
 
	              	 
	              	