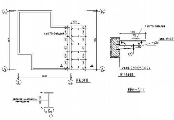
办公楼入口钢雨篷结构设计施工CAD大样图
- 发布时间:2021-05-04
- 评论次数:0
- 浏览次数:0
- 文件大小:0.23 MB
- 收藏次数:0
-
文件名称:
附件-995876965699577579857.rar
办公楼结构大样下载
- 办公楼入口钢雨篷结构设计CAD大样图(立面图)(dwg)
- 办公楼主入口雨篷结构设计方案CAD图纸
- 钢桁架雨篷结构设计CAD图纸
- 办公楼主入口雨篷CAD施工图纸(平面布置图)(dwg)
- 地下上室入口雨篷结构设计CAD施工图纸
- 钢雨篷结构CAD图纸(dwg)
- 单元入口雨篷平面节点构造详图纸cad
- 办公楼主入口雨篷结构CAD图纸(平面布置图)(dwg)
- 地下上通道入口南侧雨篷结构设计CAD图纸.dwg
- 广场钢雨篷结构CAD施工图纸(dwg)
- 钢雨篷结构设计CAD施工图纸(dwg)
- 钢桁架雨篷结构设计CAD施工图纸(dwg)
- 钢桁架雨篷结构设计施工CAD图纸
- 办公楼雨篷结构施工CAD图纸
- [钢结构厂房]钢桁架雨篷结构设计方案CAD图纸
- 钢雨篷结构设计CAD图纸,共6张图纸(节点详图)(dwg)
- 下室入口雨篷结构设计CAD施工图纸(dwg)(7度抗震)
- 病房楼入口玻璃雨篷结构设计CAD施工图纸(dwg)(二级结构安全)
- 广场地下通道入口雨篷结构设计CAD施工图纸(门式刚架)
- 病房楼入口玻璃雨篷结构设计CAD施工图纸,共8张
全部评论
评论网友评论仅友表达个人看法,并不表明本站同意其观点,不得发布违反法律法规的内容!
