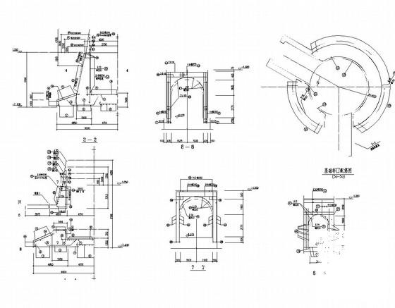
115米钢筋混凝土烟囱结构CAD施工图纸
- 发布时间:2021-05-04
- 评论次数:0
- 浏览次数:0
- 文件大小:1.2 MB
- 收藏次数:0
-
文件名称:
附件-995878978895857088578.rar
钢筋混凝土结构施工下载
- 钢筋混凝土结构保护层施工
- 超长钢筋混凝土结构无缝设计与施工
- 设备基础施工方案(钢筋混凝土结构)
- 谈谈钢筋混凝土框架结构施工.pdf
- 钢筋混凝土框架结构施工.pdf
- HEA用于超长钢筋混凝土结构施工.pdf
- 钢筋混凝土结构施工图纸说明.
- 构筑物运输隧道结构CAD施工图纸(钢筋混凝土结构)(dwg)
- 结构总说明(CAD施工图纸集)(钢筋混凝土结构)(dwg)
- 沉砂池结构CAD施工图纸(钢筋混凝土结构桩基础).dwg
- 商品混凝土站基础结构CAD施工图纸(钢筋混凝土结构).dwg
- L型花架结构CAD施工图纸(钢筋混凝土结构).dwg
- 筒形水池结构CAD施工图纸(钢筋混凝土结构).dwg
- 室外消防水池结构CAD施工图纸(钢筋混凝土结构).dwg
- 圆形水池结构CAD施工图纸(钢筋混凝土结构).dwg
- 生物慢滤池结构CAD施工图纸(钢筋混凝土结构).dwg
- 消防水池结构CAD施工图纸(钢筋混凝土结构).dwg
- 电梯井结构CAD施工图纸(钢筋混凝土结构).dwg
- 水塔结构设计CAD施工图纸(钢筋混凝土结构).dwg
- 生化池结构设计CAD施工图纸(钢筋混凝土结构).dwg
全部评论
评论网友评论仅友表达个人看法,并不表明本站同意其观点,不得发布违反法律法规的内容!
