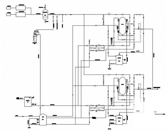
垃圾填埋场废水处理工艺施工大样图
- 发布时间:2021-04-26
- 评论次数:0
- 浏览次数:0
- 文件大小:5.6 MB
- 收藏次数:0
-
文件名称:
附件-995860879808597678096.zip
垃圾填埋场处理工艺下载
- 垃圾卫生填埋场渗沥液处理
- [案例]垃圾填埋场废水处理工艺图纸(dwg格式CAD图纸)
- 垃圾填埋场渣土桩地基处理施工方案.doc
- 垃圾填埋场防渗系统施工CAD图纸
- 生活垃圾填埋场设计CAD图纸
- 一份垃圾卫生填埋场渗滤液处理工程CAD施工图纸
- 生活垃圾防渗处理工程施工组织设计(填埋场)
- 生活垃圾填埋场渗滤液处理改造工程_建筑车间平面图
- 生活垃圾填埋场渗滤液处理改造施工CAD大样图
- 垃圾卫生填埋场渗滤液处理工程CAD施工图纸
- 某垃圾填埋场地基处理及防渗墙施工方案.doc
- 垃圾渗滤液处理MBR工艺CAD施工图纸
- 一份生活垃圾填埋场设计CAD图纸
- 生活垃圾卫生填埋场施工组织设计
- 垃圾填埋场SBR池结构CAD施工图纸(dwg)
- 市垃圾填埋场工程施工组织设计
- 垃圾填埋场AF池结构CAD施工图纸.dwg
- 县城区生活垃圾卫生填埋场施工CAD图纸
- 城市生活垃圾卫生填埋场技术交底.doc
- 生活垃圾卫生填埋场质量创优计划方案cad
全部评论
评论网友评论仅友表达个人看法,并不表明本站同意其观点,不得发布违反法律法规的内容!
