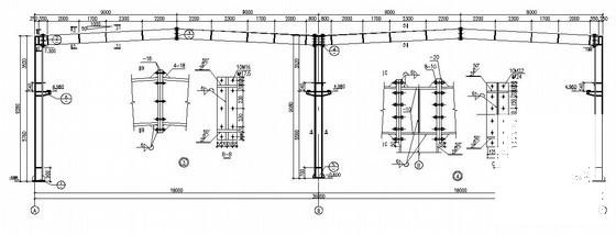
18米跨钢结构厂房毕业设计方案(计算书,建筑、结构CAD施工图纸)
- 发布时间:2021-04-26
- 评论次数:0
- 浏览次数:0
- 文件大小:5.68 MB
- 收藏次数:0
-
文件名称:
附件-995850787809785899758.rar
钢结构厂房施工方案下载
- 钢结构排架厂房施工方案
- 钢结构厂房施工方案
- 厂房钢结构施工方案.doc
- 太仓厂房钢结构工程施工方案_CAD
- 药厂单层钢结构厂房施工方案
- 国内钢结构库房施工方案(厂房混凝土柱)
- 厂房工程施工方案(大跨度钢结构)
- 厂房钢结构连廊吊装施工方案_CAD
- 钢结构厂房专项施工方案.docx
- 钢结构厂房施工方案56P.pdf
- 轻钢结构厂房施工方案.docx
- 钢结构厂房冬季施工方案.docx
- 单结构厂房钢结构安全施工方案.doc
- 物流中心钢结构厂房专项施工方案cad
- 工业厂房钢结构安装施工方案.doc
- 工业厂房钢结构屋架施工方案.doc
- 厂房钢结构吊装专项施工方案.doc
- 钢结构厂房吊装施工方案.doc
- 钢结构厂房电气施工方案.pdf
- 钢结构厂房强电施工CAD图纸
全部评论
评论网友评论仅友表达个人看法,并不表明本站同意其观点,不得发布违反法律法规的内容!
