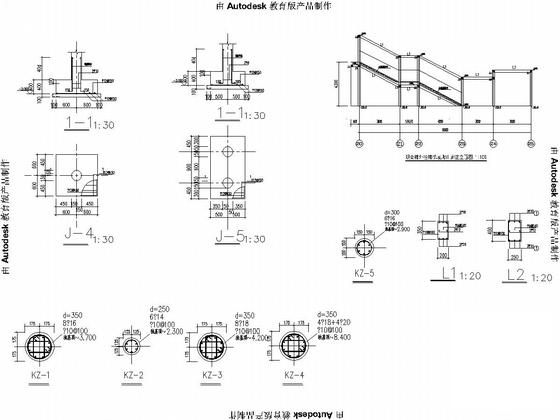
2层公园基础设施改造提升工程建筑及结构CAD施工图纸
- 发布时间:2021-05-07
- 评论次数:0
- 浏览次数:0
- 文件大小:2.96 MB
- 收藏次数:0
-
文件名称:
附件-995887589589999556557.rar
建筑基础施工工程下载
- 公园基础设施改造提升工程建筑及结构CAD施工图纸(六角亭、四角亭)
- 2015年公园改造提升工程施工合同.doc
- 老城区市政基础设施改造提升工程招标文件.doc
- 市政基础设施改造提升工程第四包EPC招标文.doc
- 江滨基础设施及绿化景观提升工程图纸.pdf
- 梅溪湖梅岭公园景观提升改造.pdf
- 美丽乡村基础设施提升风貌改造清单573P.pdf
- 公园改造提升工程施工清单及图纸cad平面布置图及系统图,立面图
- 公园基础设施改造项目-施工组织设计.doc
- 道路改造提升工程招标施工图纸及清单2022cad
- 城市轨道交通立体公园区域提升改造工程.pdf
- 公园改造景观CAD施工图纸(建筑小品).dwg
- 千丝岩石文化公园基础设施改造2024
- 外联道路改造提升工程清单+图纸cad平面图及布置图
- 文化古街道路改造提升工程
- 锦江公园沿线提升改造项目施工清单案例102Pcad
- 银湖路沿线两侧基础设施及街景提升设计2023.pdf
- 公园景观改造工程CAD施工图纸(dwg)
- 基础设施改造项目弱电图纸cad系统图
- 多套城镇老旧小区改造及道路提升工程施工图
全部评论
评论网友评论仅友表达个人看法,并不表明本站同意其观点,不得发布违反法律法规的内容!
