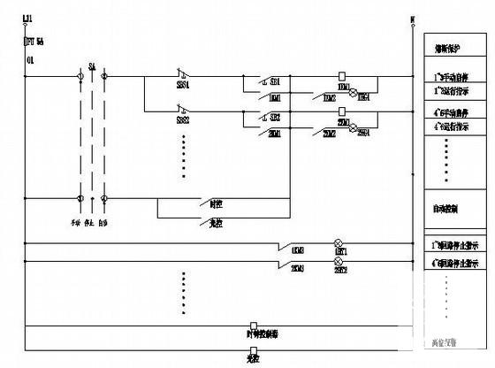
路灯控制柜原理CAD施工图纸
- 发布时间:2021-05-07
- 评论次数:0
- 浏览次数:0
- 文件大小:2.23 MB
- 收藏次数:0
-
文件名称:
附件-995857850767889550550.rar
路灯施工图纸下载
- 压缩机控制柜原理CAD图纸(dwg)
- 水泵控制柜控制原理CAD图纸(dwg)
- 消防稳压控制柜原理CAD图纸(dwg)
- 水泵控制柜原理CAD图纸(dwg)
- 路灯照明电气原理CAD图纸(dwg)
- 路灯箱控制原理CAD图纸(dwg)
- 照明系统路灯控制原理CAD施工图纸(dwg)
- 厂区路灯工程电气CAD图纸(控制原理)
- 路灯时控箱控制原理CAD图纸(dwg)
- 路灯照明配电控制原理CAD图纸(dwg)
- 路灯照明控制箱控制原理CAD图纸(dwg)
- 厂区室外路灯电气图纸(控制原理图)()
- 恒温烘房电气控制柜原理CAD图纸(dwg)
- 高压电机控制柜CAD图纸(原理图)(dwg)
- 西门子变频风机控制柜原理接线CAD图纸(dwg)
- 全自动控制柜控制原理CAD图纸(dwg)
- 污水处理器控制柜原理CAD图纸(dwg)
- 185KW变频控制柜原理CAD图纸(dwg)
- 双电源供电控制柜原理CAD图纸(dwg)
- [CAD]热风锅炉电气改造控制柜原理图纸.dwg
全部评论
评论网友评论仅友表达个人看法,并不表明本站同意其观点,不得发布违反法律法规的内容!
