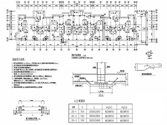
6层异形柱框架结构花园洋房结构设计施工CAD图纸
- 发布时间:2021-05-09
- 评论次数:0
- 浏览次数:0
- 文件大小:2.97 MB
- 收藏次数:0
- 
								文件名称: 附件-995887968988955798808.rar 附件-995887968988955798808.rar
								异形柱框架结构设计下载
							
						- 异形柱框架结构设计(异形柱短肢剪力墙).pdf
- 异形柱框架结构设计探讨.pdf
- 异形柱框架楼结构设计实例.pdf
- 异形柱结构设计
- 异形柱框架住宅结构设计方案CAD施工图纸
- 异形柱框架结构设计说明(CAD图纸)(dwg)
- 异形柱框架结构设计和施工总说明(CAD图纸)(dwg)
- [CAD图]异形柱框架结构设计说明(dwg)
- [CAD图]异形柱框架结构设计说明(dwg)
- [CAD图]框架异形柱砖混结构设计说明(dwg)
- 异形柱框架结构设计初探(短肢剪力墙)
- 异形柱框架结构设计探讨(计算软件)
- 浅谈异形柱框架轻质墙结构设计体会
- 异形柱框架结构设计及工程实例
- 设有异形柱的框架结构、框剪结构设计探讨
- 大开间异形柱框架结构设计(工程设计)
- 白沙广场高层异形柱框架结构设计.pdf
- 试论钢筋混凝土中异形柱框架结构设计
- 异形柱框架结构设计的探讨(短肢剪力墙)
- 钢筋混凝土异形柱框架结构设计初探.pdf
全部评论
						
							评论网友评论仅友表达个人看法,并不表明本站同意其观点,不得发布违反法律法规的内容!
						
						
 
	              	 
	              	 
	              	 
	              	