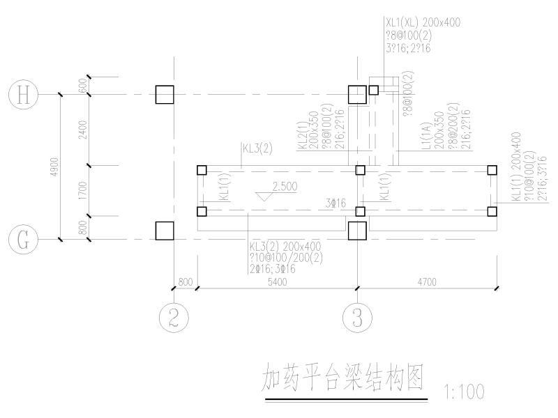
加药平台结构图纸(CAD)
- 发布时间:2021-05-12
- 评论次数:0
- 浏览次数:0
- 文件大小:3.6 MB
- 收藏次数:0
-
文件名称:
附件-996978995066589788.dwg
平台结构图下载
- 制药废水气浮加药工艺图纸()
- 制药废水气浮加药工艺设计图纸.
- 电厂含煤水处理助凝加药装置混凝加药装置图cad
- 自来水厂加氯加药间结构CAD施工图纸(dwg)
- 垃圾填埋场加药间结构CAD施工图纸(dwg)(丙级独立基础)
- 消毒间及加药间结构设计CAD施工图纸
- [CAD]污水厂加药间结构施工图纸(结构设计总说明).dwg
- 污水处理厂框架结构加药间结构设计施工CAD图纸
- 单层框架结构加氯加药间全套CAD施工大样图2016
- 一份小型单层建筑单层建筑加药间建筑dwg格式CAD图纸
- 纸业加药系统电气控制CAD图纸(二次回路)
- 污水处理厂PAC加药装置电气CAD图纸
- 污水处理厂加药间电气CAD施工图纸(dwg)
- [CAD]表水水厂加药加氯及送水泵房设计图纸.dwg
- [CAD]纸业加药系统电气控制图纸.dwg
- 污水处理厂PAC加药装置电气设计CAD图纸.dwg
- 制药废水气浮加药设计CAD施工图纸.dwg
- 小型加药间建筑扩初CAD施工图纸
- 一份污水处理厂加药加氯间结构CAD施工图纸(条形基础)
- 加药间及空压机房结构CAD施工图纸(dwg)(6度抗震)(丙级条形基础)
全部评论
评论网友评论仅友表达个人看法,并不表明本站同意其观点,不得发布违反法律法规的内容!
