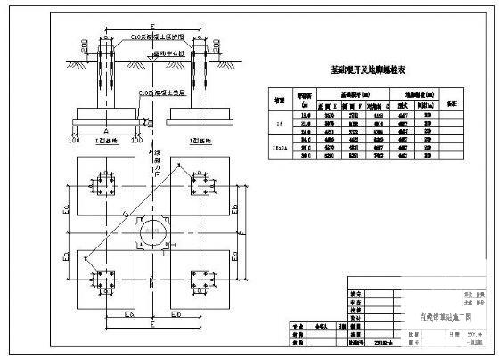
110kv直线塔基础施工图纸cad
- 发布时间:2021-06-06
- 评论次数:0
- 浏览次数:0
- 文件大小:0.02 MB
- 收藏次数:0
-
文件名称:
附件-996058558988755958.rar
直线塔基础施工图下载
- 送电线路工程M3直线塔结构CAD施工图纸
- [CAD]110KV送电线路猫头型直线塔施工图纸,共13张.dwg
- 景观塔塔基独立基础施工方案.doc
- 110kV直线铁塔结构施工图cad
- 大跨度斜拉桥索塔基础、过渡墩及基础CAD施工图纸.dwg
- 角钢塔基础计算PPT(31页)
- 超高层双子塔项目动臂塔塔吊基础施工方案.docx
- casia5800直线计算程序
- 建筑工程识图(直线的投影)
- 反应塔和布袋除尘器结构CAD施工图纸(dwg)(独立基础)
- 排气筒塔架结构设计CAD施工图纸(dwg)(桩基础)
- 电力塔结构设计CAD施工图纸(混凝土基础)(dwg)
- 110kv耐张转角塔基础CAD施工图纸
- 吸收塔基础CAD施工图纸(计算书).dwg
- 项目冷却塔基础CAD图纸(dwg)
- 电力工程塔架基础图纸cad
- PH4510塔机基础详图纸cad
- 冷却塔基础节点构造详图纸cad
- 塔吊基础及群塔作业施工方案.doc
- 单管塔独立基础计算表格excel.xlsx
全部评论
评论网友评论仅友表达个人看法,并不表明本站同意其观点,不得发布违反法律法规的内容!
