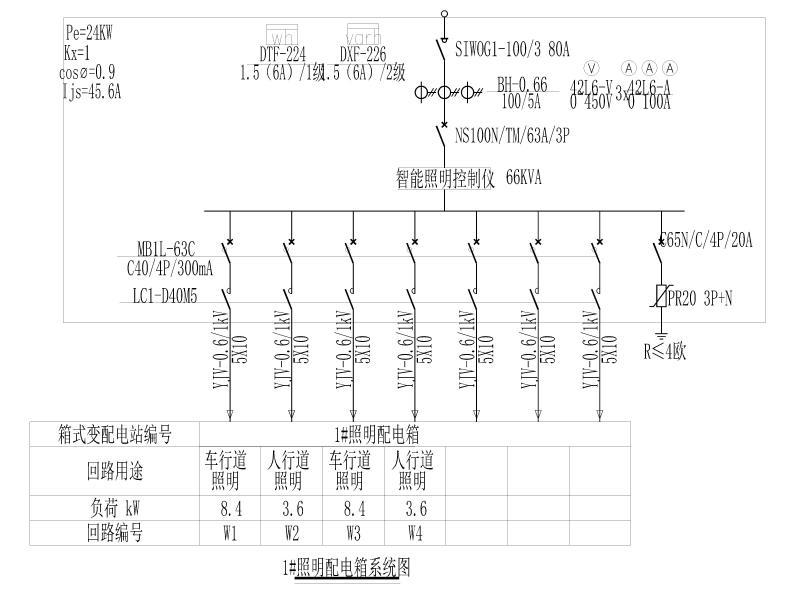
城市主干道电气施工图cad变电站大样图及系统图
- 发布时间:2021-06-16
- 评论次数:0
- 浏览次数:0
- 文件大小:11.67 MB
- 收藏次数:0
-
文件名称:
附件-996587696056858659.zip
城市主干道电气图下载
- 城市主干道电气cad平面图
- 城市主干道电气cad平面图
- 城市主干道隧道工程试验检测方案.doc
- 城市主干道深沟槽开挖专项方案
- 城市主干道改渠施工方案.docx
- 城市主干道工程地质勘察报告.doc
- 城市主干道施工组织设计cad
- 城市主干道涵洞施工图设计2018cad平面图
- 城市主干道路工程招标施工图cad平面图
- 城市主干道道路全套施工图设计(2016),平面图
- 城市主干道道路工程初步设计图.pdf,大样图
- 城市主干道全套施工图设计311张(桥梁排水电气),构造图,平面图,大样图
- 城市主干道电气工程CAD施工图纸设计31张(道路两旁绿化).dwg
- 城市主干道10.5米高双臂路灯设计CAD大样图(dwg)
- 城市主干道交通工程CAD施工大样图设计23张(dwg)
- 沥青混凝土路面城市主干道施工大样图(管道).
- [CAD]城市主干道交通工程设计套图(总共9页图纸).dwg
- 城市主干道交通工程CAD施工图设计(总共23页图纸).dwg
- 城市主干道交通工程与景观绿化设计套大样图(30页).
- 城市主干道下拉槽框架桥施工方案图纸CAD全套,构造图
全部评论
评论网友评论仅友表达个人看法,并不表明本站同意其观点,不得发布违反法律法规的内容!
