豆豆网

 找回密码
 立即注册

QQ登录

只需一步,快速开始

查看: 2824|回复: 0

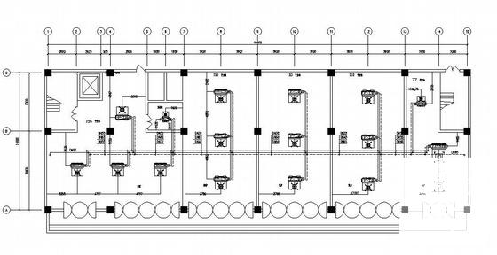
6层宾馆空调平面图(总共5页CAD图纸)(dwg)

[复制链接]

0

主题

0

帖子

1084

积分

超级版主

Rank: 8Rank: 8

积分
1084
发表于 2020-9-24 07:25:51 | 显示全部楼层 |阅读模式

该帖子包含附件可供参考学习和下载,您可以 搜索 更多您想要的资源


  • 附件设计说明:无
  • 建筑类别:宾馆
  • 建筑高度类型:多层建筑
  • 建筑地上层数:6层
  • 图纸设计深度:施工图
  • 参考图纸:5张
  • 设计内容:空调
  • 冷热源:电动压缩式冷水机组

附件详情

该项目地上六层,宾馆空调设计采用模块式风冷冷水机组,图纸为空调平面图。

第 1 张图
第 1 张图
第 2 张图
第 2 张图
以上是部分图纸截图,有些图框没有放大后再截图,可能截图里不清晰或者看不到内容,您可以在下载后查看具体内容

温馨提示:该资料由网友于2020-9-24 07:25:51上传分享,您可以下载该资料进行学习和参考,如有侵权内容或者违法行为,请及时联系站长删除,如有疑问,您可以在暖通空调专区发帖交流相关知识。

附件2099v11ecwdsc0e0w0100sd.rar

192.27 KB

下载  售价: 100 积分    赚积分

相关帖子

回复

使用道具 举报

您需要登录后才可以回帖 登录 | 立即注册

本版积分规则

QQ|联系我们|豆豆网 ( 苏ICP备20004746号-1 )

GMT+8, 2025-11-20 05:54 , Processed in 0.014738 second(s), 27 queries .

本站所有内容均由网友自主分享,如有侵权内容或者违法行为,请及时联系站长删除,本站将根据实际情况进行积分奖励!请查看:免责声明

快速回复 返回顶部 返回列表