豆豆网

 找回密码
 立即注册

QQ登录

只需一步,快速开始

查看: 1676|回复: 0

一份23层住宅楼电气CAD施工图纸(车库,三级负荷)(火灾自动报警)

[复制链接]

0

主题

0

帖子

1642

积分

超级版主

Rank: 8Rank: 8

积分
1642
发表于 2020-2-17 13:54:06 | 显示全部楼层 |阅读模式

该帖子包含附件可供参考学习和下载,您可以 搜索 更多您想要的资源


  • 建筑类别:住宅,其他
  • 建筑高度类型:高层建筑
  • 建筑设计结构形式:其他结构
  • 建筑设计面积:28628.32平方米
  • 建筑地上层数:23层
  • 建筑地下层数:2层
  • 图纸设计深度:施工图
  • 参考图纸:24张
  • 地下室用途:车库,其它
  • 负荷等级:三级
  • 防雷等级:第二类
  • 火灾保护分级:一级
  • 接地方式:TN-S
  • 强电设计:低压配电,电气照明,建筑物防雷,接地安全,其它
  • 弱电设计: 火灾自动报警系统 ,综合布线系统,有线电视和卫星接收系统,呼应信号及信息显示,其它

附件详情

  • 1、电气设计说明
  • 2、火灾自动报警系统图
  • 3、弱电系统图
  • 4、 竖向配电干线
  • 5、配电系统图
  • 6、等电位联接系统图
  • 7、电气平面图
  • 8、弱电平面图
  • 9、 防雷平面图
  • 10、接地平面图

附件详情

该附件为大型住宅楼电气施工图纸,共24张。
项目概要:地上23层,地下2层。建筑高度69.3米,建筑设计面积:28628.32平方米。建筑主要结构类型:为框肢剪力墙;桩筏基础。
设计范围:220/380V配电系统;建筑物防雷、接地系统及安全措施;有线电视系统;综合布线系统;火灾自动报警及消防联动控制系统;可视对讲系统。
......
总共24张。

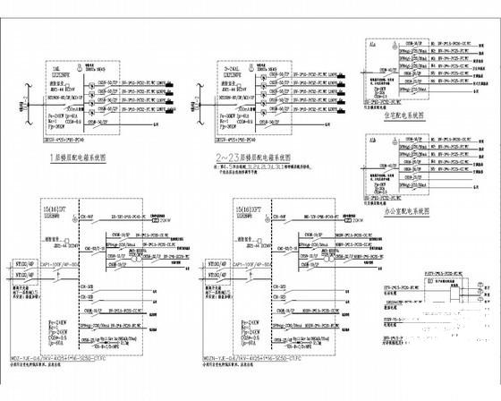
二层电气平面图

等电位联接系统图

配电系统图

第 1 张图
第 1 张图
第 2 张图
第 2 张图
第 3 张图
第 3 张图
第 4 张图
第 4 张图
以上是部分图纸截图,有些图框没有放大后再截图,可能截图里不清晰或者看不到内容,您可以在下载后查看具体内容

温馨提示:该资料由网友于2020-2-17 13:54:06上传分享,您可以下载该资料进行学习和参考,如有侵权内容或者违法行为,请及时联系站长删除,如有疑问,您可以在电气工程专区发帖交流相关知识。

附件2099v11edecdc21ef10fcd0e00.rar

2.19 MB

下载  售价: 100 积分    赚积分

相关帖子

回复

使用道具 举报

您需要登录后才可以回帖 登录 | 立即注册

本版积分规则

QQ|联系我们|豆豆网 ( 苏ICP备20004746号-1 )

GMT+8, 2025-12-25 23:42 , Processed in 0.015739 second(s), 27 queries .

本站所有内容均由网友自主分享,如有侵权内容或者违法行为,请及时联系站长删除,本站将根据实际情况进行积分奖励!请查看:免责声明

快速回复 返回顶部 返回列表